TKF
-
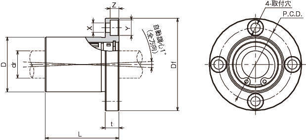
TKF
スライドブッシュはめいあい互換タイプ
NBトップボールはボールの転がり運動を利用した直線運動機構です。
従来品にない自動調心機能を備えており、FA機器・工作機・電気装置・光学機器・計測機器など多岐にわたって使用されてます。
高負荷容量・長寿命
・ロードブレートのボール接触軌道面はサーキュラーアーク状に精密加工されています。そのため、従来品に比較し約3倍の負荷容量、約27倍の寿命が可能になりました。
自動調心性
・ロードプレートは中央部が厚く両端部ほど薄くなっていて、中央部を中心に調心運動が可能でハウジングとシャフト加工・取り付けエラーを吸収します。
高速化対応
・NBトップボールは優れた高速性を可能にした製品です。運動速度は5m/sまで使用可能です。
フローティングシール
・フローティングシールは、NBトップボールの特長である自動調心性が働いて両端面の外径、内径に偏心が生じてもスムーズにシャフトに追従します。
NBスライドブッシュはめいあい互換タイプ
・TMF形は、NBスライドブッシュと使用軸径公差を合わせました。
・TMF形は、取付が簡単なフランジ形です。

