SMA-R
-
SMA-R
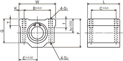
・アルミ製のハウジングを使用した最も一般的なスライドロータリーユニットです。
日本ベアリング
SMA-R
SMA-R
・アルミ製のハウジングを使用した最も一般的なスライドロータリーユニットです。
10件の型式
| 型式 | シリーズ | 保持器の種類 | シールの種類 |
軸径 (mm) |
外形寸法(mm) | 取付寸法(mm) | 基本定格荷重(N) | 許容回転数(rpm) | ||||||||||||
|---|---|---|---|---|---|---|---|---|---|---|---|---|---|---|---|---|---|---|---|---|
| h | E | W | L | F | G | T | B | C | K | S1 | f | S2 | 動 C | 静 C0 | ||||||
| SMA6R | SMA-R | スチール | シールなし | 6 | 9 | 15 | 30 | 25 | 18 | 15 | 6 | 20 | 15 | 5 | M4 | 8 | 3.4 | 78 | 176 | 300 |
| SMA8R | SMA-R | スチール | シールなし | 8 | 11 | 17 | 34 | 30 | 22 | 18 | 6 | 24 | 18 | 5 | M4 | 8 | 3.4 | 137 | 314 | 300 |
| SMA10R | SMA-R | スチール | シールなし | 10 | 13 | 20 | 40 | 35 | 26 | 21 | 8 | 28 | 21 | 6 | M5 | 12 | 4.3 | 157 | 372 | 300 |
| SMA12R | SMA-R | スチール | シールなし | 12 | 15 | 21 | 42 | 36 | 28 | 24 | 8 | 30.5 | 26 | 5.75 | M5 | 12 | 4.3 | 274 | 588 | 300 |
| SMA13R | SMA-R | スチール | シールなし | 13 | 15 | 22 | 44 | 39 | 30 | 24.5 | 8 | 33 | 26 | 5.5 | M5 | 12 | 4.3 | 323 | 686 | 300 |
| SMA16R | SMA-R | スチール | シールなし | 16 | 19 | 25 | 50 | 44 | 38.5 | 32.5 | 9 | 36 | 34 | 7 | M5 | 12 | 4.3 | 451 | 882 | 250 |
| SMA20R | SMA-R | スチール | シールなし | 20 | 21 | 27 | 54 | 50 | 41 | 35 | 11 | 40 | 40 | 7 | M6 | 12 | 5.2 | 647 | 1180 | 250 |
| SMA25R | SMA-R | スチール | シールなし | 25 | 26 | 38 | 76 | 67 | 51.5 | 42 | 12 | 54 | 50 | 11 | M8 | 18 | 7 | 882 | 1860 | 250 |
| SMA30R | SMA-R | スチール | シールなし | 30 | 30 | 39 | 78 | 72 | 59.5 | 49 | 15 | 58 | 58 | 10 | M8 | 18 | 7 | 1180 | 2650 | 200 |
| SMA40R | SMA-R | スチール | シールなし | 40 | 40 | 51 | 102 | 90 | 78 | 62 | 20 | 80 | 60 | 11 | M10 | 25 | 8.7 | 1960 | 4020 | 200 |
| 型式 | 商品コード | 単位 |
価格 (円) |
基準納期 | |
|---|---|---|---|---|---|
| 日伝 | メーカー | ||||
| SMA6R | SMA6R | P | 12,070 | - | - |
| SMA8R | SMA8R | P | 12,690 | - | - |
| SMA10R | SMA10R | P | 13,440 | - | - |
| SMA12R | SMA12R | P | 14,180 | - | - |
| SMA13R | SMA13R | P | 14,760 | - | - |
| SMA16R | SMA16R | P | 16,170 | - | - |
| SMA20R | SMA20R | P | 19,060 | - | - |
| SMA25R | SMA25R | P | 25,550 | - | - |
| SMA30R | SMA30R | P | 32,220 | - | - |
| SMA40R | SMA40R | P | 55,690 | - | - |
製品についてのご質問やお困りごとなどお気軽にご相談ください!