・NBスライドテーブルはスライドウェイを組み込んだ精密テーブルです。
・NV形軌道台を組込んだスライドテーブルです。
・テーブルとベッドは精密加工されているので高精度が得られ、面倒な精度、予圧の調整などが一切必要なく、そのまま使用できる製品です。
日本ベアリング
スライドテーブル NVT
詳細仕様
61件の型式
| 型式 | 材質 |
ストローク ST (mm) |
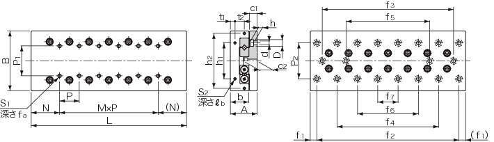
主要寸法 | テーブル面取付穴寸法 | テーブル端面取付穴寸法 | ベッド面取付穴寸法 | 精度(振れ) |
基本動定格荷重 C (N) |
基本静定格荷重 C0 (N) |
許容荷重 F (N) |
静的許容モーメント |
質量 (g) |
|||||||||||||||||||||||||||
|---|---|---|---|---|---|---|---|---|---|---|---|---|---|---|---|---|---|---|---|---|---|---|---|---|---|---|---|---|---|---|---|---|---|---|---|---|---|---|---|
| A | B | L (mm) | b (mm) | P1 (mm) | S1 (mm) | fa (mm) | N (mm) | M×P (mm) | h1 (mm) | h2 (mm) | t1 (mm) | t2 (mm) | S2 (mm) | fb (mm) | P2 (mm) | d×D×h (mm) | c1 (mm) | c2 (mm) | f1 (mm) | f2 (mm) | f3 (mm) | f4 (mm) | f5 (mm) | f6 (mm) | f7 (mm) | T (μm) | S (μm) | MP (N・m) | MY (N・m) | MR (N・m) | |||||||||
| (mm) | 公差 | (mm) | 公差 | ||||||||||||||||||||||||||||||||||||
| NVT2035 | 標準(スチール製) | 18 | 21 | ±0.1 | 40 | -0.2/-0.4 | 35 | 14 | 15 | M3 | 6 | 17.5 | - | 16 | - | 3.4 | - | M2 | 6 | 30 | 3.5×6.5×3.5 | 6.5 | 10.9 | 5 | 25 | - | - | - | - | - | 2 | 4 | 1360 | 1520 | 509 | 10.1 | 8.8 | 13.7 | 200 |
| NVT2050 | 標準(スチール製) | 30 | 21 | ±0.1 | 40 | -0.2/-0.4 | 50 | 14 | 15 | M3 | 6 | 17.5 | 1×15 | 16 | - | 3.4 | - | M2 | 6 | 30 | 3.5×6.5×3.5 | 6.5 | 10.9 | 5 | 40 | - | - | - | - | - | 2 | 4 | 2330 | 3050 | 1010 | 18.9 | 18.7 | 21.1 | 287 |
| NVT2065 | 標準(スチール製) | 40 | 21 | ±0.1 | 40 | -0.2/-0.4 | 65 | 14 | 15 | M3 | 6 | 17.5 | 2×15 | 16 | - | 3.4 | - | M2 | 6 | 30 | 3.5×6.5×3.5 | 6.5 | 10.9 | 5 | 55 | - | - | - | - | - | 2 | 5 | 3190 | 4580 | 1520 | 36.9 | 35.7 | 34.8 | 377 |
| NVT2080 | 標準(スチール製) | 50 | 21 | ±0.1 | 40 | -0.2/-0.4 | 80 | 14 | 15 | M3 | 6 | 17.5 | 3×15 | 16 | - | 3.4 | - | M2 | 6 | 30 | 3.5×6.5×3.5 | 6.5 | 10.9 | 5 | 70 | - | 40 | - | - | - | 2 | 5 | 3990 | 6110 | 2030 | 53.2 | 53.8 | 39.8 | 455 |
| NVT2095 | 標準(スチール製) | 60 | 21 | ±0.1 | 40 | -0.2/-0.4 | 95 | 14 | 15 | M3 | 6 | 17.5 | 4×15 | 16 | - | 3.4 | - | M2 | 6 | 30 | 3.5×6.5×3.5 | 6.5 | 10.9 | 5 | 85 | - | 55 | - | - | - | 2 | 5 | 4740 | 7630 | 2540 | 80.3 | 79.9 | 53.5 | 550 |
| NVT2110 | 標準(スチール製) | 70 | 21 | ±0.1 | 40 | -0.2/-0.4 | 110 | 14 | 15 | M3 | 6 | 17.5 | 5×15 | 16 | - | 3.4 | - | M2 | 6 | 30 | 3.5×6.5×3.5 | 6.5 | 10.9 | 5 | 100 | - | 70 | - | - | - | 3 | 6 | 5460 | 9160 | 3050 | 104 | 106 | 58.4 | 640 |
| NVT2125 | 標準(スチール製) | 80 | 21 | ±0.1 | 40 | -0.2/-0.4 | 125 | 14 | 15 | M3 | 6 | 17.5 | 6×15 | 16 | - | 3.4 | - | M2 | 6 | 30 | 3.5×6.5×3.5 | 6.5 | 10.9 | 5 | 115 | - | 85 | - | - | - | 3 | 6 | 6160 | 10600 | 3560 | 130 | 135 | 63.4 | 730 |
| NVT2140 | 標準(スチール製) | 90 | 21 | ±0.1 | 40 | -0.2/-0.4 | 140 | 14 | 15 | M3 | 6 | 17.5 | 7×15 | 16 | - | 3.4 | - | M2 | 6 | 30 | 3.5×6.5×3.5 | 6.5 | 10.9 | 5 | 130 | - | 100 | - | 70 | - | 3 | 6 | 6830 | 12200 | 4070 | 171 | 176 | 77.1 | 810 |
| NVT2155 | 標準(スチール製) | 100 | 21 | ±0.1 | 40 | -0.2/-0.4 | 155 | 14 | 15 | M3 | 6 | 17.5 | 8×15 | 16 | - | 3.4 | - | M2 | 6 | 30 | 3.5×6.5×3.5 | 6.5 | 10.9 | 5 | 145 | - | 115 | - | 85 | - | 3 | 6 | 8130 | 15200 | 5090 | 235 | 244 | 90.9 | 890 |
| NVT2170 | 標準(スチール製) | 110 | 21 | ±0.1 | 40 | -0.2/-0.4 | 170 | 14 | 15 | M3 | 6 | 17.5 | 9×15 | 16 | - | 3.4 | - | M2 | 6 | 30 | 3.5×6.5×3.5 | 6.5 | 10.9 | 5 | 160 | - | 130 | - | 100 | - | 3 | 7 | 8750 | 16800 | 5600 | 275 | 289 | 95.8 | 980 |
基本静定格荷重はストローク中心位置の値です。
| 型式 | 商品コード | 単位 |
価格 (円) |
基準納期 | |
|---|---|---|---|---|---|
| 日伝 | メーカー | ||||
| NVT2035 | NVT2035 | P | 28,800 | - | - |
| NVT2050 | NVT2050 | P | 34,400 | - | - |
| NVT2065 | NVT2065 | P | 39,300 | - | - |
| NVT2080 | NVT2080 | P | 44,400 | - | - |
| NVT2095 | NVT2095 | P | 48,500 | - | - |
| NVT2110 | NVT2110 | P | 54,600 | - | - |
| NVT2125 | NVT2125 | P | 59,900 | - | - |
| NVT2140 | NVT2140 | P | 68,200 | - | - |
| NVT2155 | NVT2155 | P | 75,400 | - | - |
| NVT2170 | NVT2170 | P | 84,100 | - | - |
この製品を見た人はこのような製品も見ています
製品についてのご質問やお困りごとなどお気軽にご相談ください!
Loading...

