SSPM
-
SSPM
・NBボールスプラインはボールの転がり運動を利用した直線運動機構です。
・ラジアル荷重とトルクを同時に負荷できることから、搬送装置やロボットなど幅広い分野で使用されます。
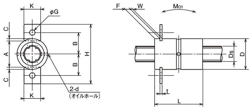
・NBボールスプラインは転送溝を持ったスプライン軸と外筒から構成されています。スプライン外筒内部には保持器、サイドリング、鋼球が組込まれており、滑らかに摺動できるように設計・制作されています。
負荷容量が大きく長寿命
・軌道面は鋼球の径に近似したR形状に精密研削加工されているので、鋼球の接触面積が大きく、高負荷容量・長寿命です。
高精度のトルク伝達が可能
・軸と外筒の転送溝が鋼球に対して適切な接触角を構成していることにより、大きなトルクを伝達することが可能です。
・予圧を与えて回転方向のすきまをゼロにする事により剛性を高めたり、正確な位置決めが可能です。
追加工が容易
・NBボールスプラインは丸軸に転送溝を設けた形状を採用しているので、取付け用に軸端などへの加工が容易です。
高速運動・高速回転が可能
・外筒はコンパクトでバランスがよく、高速運動や高速回転運動時にも十分性能を発揮します。

