モノづくりの困ったを解決する総合サイト

Produced by

一般空気圧用プッシュワン継手 [ Aシリーズ ] 90°パネルタッチエルボ APL

一般空気圧用プッシュワン継手(難燃性)

・チューブはプッシュワン接続です。
・無電解ニッケルめっき処理を施しています。
・ホワイトボディが作業環境を明るくします。
・難燃性樹脂(UL94規格V-0相当)採用。
・Rねじ部にシール加工。

#チューブ継手
#継手

共通仕様

シリーズ プッシュワンAシリーズ
タイプ ミリサイズ
使用流体 空気 水
使用温度範囲:空気 -20℃~+80℃
使用温度範囲:水 0℃~+40℃
最高使用圧力 1.0MPa
負圧性能 -99.975kPa

詳細仕様

  • 5件中 1-5件

  • 表示件数

5件の型式

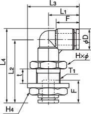
型式 適用
チューブ外径
(mm)
L1
(mm)
L2
(mm)
L3
(mm)
L4
(mm)
チューブ挿入長さ
F
(mm)
二面幅
H×φ
(mm)
二面幅
H4
(mm)
最大パネル厚
t
(mm)
推奨パネル穴径
T1
(mm)
D
(mm)
ワッシャー 最小内径
(mm)
有効断面積
(mm2)
質量
(g)
外径 (mm) 厚み (mm)
APL4 4 17.2 35.6 27.7 40.5 13 17.0×18.3 17.0 7.5 13 9.8 21 2.5 3.0 - 32.0
APL6 6 18.5 40.0 30.5 46.3 15 19.0×21.0 19.0 9.0 15 12.6 24 2.5 5.0 - 43.0
APL8 8 20.7 43.6 34.7 47.5 16 22.0×24.5 22.0 10.0 17 14.6 28 3.0 7.0 - 62.0
APL10 10 24.7 51.6 41.7 60.3 19 27.0×30.0 27.0 14.0 21 17.5 34 3.0 9.0 - 101.0
APL12 12 26.3 56.0 44.8 66.0 20 30.0×33.5 30.0 16.0 23 20.0 37 3.0 10.0 - 126.0

型式 商品コード 単位 価格
(円)
基準納期
日伝 メーカー
APL4 APL4 P 693 - 在庫品
APL6 APL6 P 726 在庫品 在庫品
APL8 APL8 P 880 在庫品 在庫品
APL10 APL10 P 1,100 - 在庫品
APL12 APL12 P 1,342 - 在庫品

この製品を見た人はこのような製品も見ています

1952年設立で、動力伝導機器・産業機器・制御機器等の機械設備及び機械器具関連製品の販売をしている専門総合商社です。
日本国内で40以上の拠点を持ち、信頼性の高い製品と技術力で、全国のものづくりに携わる方々のあらゆるお困りごとを解決しています。

Loading...