一般空気圧用プッシュワン継手(難燃性)
・チューブはプッシュワン接続です。
・無電解ニッケルめっき処理を施しています。
・ホワイトボディが作業環境を明るくします。
・難燃性樹脂(UL94規格V-0相当)採用。
共通仕様
| シリーズ | プッシュワンAシリーズ |
|---|---|
| タイプ | ミリサイズ |
| 使用流体 | 空気 水 |
| 使用温度範囲:空気 | -20℃~+80℃ |
| 使用温度範囲:水 | 0℃~+40℃ |
| 最高使用圧力 | 1.0MPa |
| 負圧性能 | -99.975kPa |
ニッタ
・チューブはプッシュワン接続です。
・無電解ニッケルめっき処理を施しています。
・ホワイトボディが作業環境を明るくします。
・難燃性樹脂(UL94規格V-0相当)採用。
| シリーズ | プッシュワンAシリーズ |
|---|---|
| タイプ | ミリサイズ |
| 使用流体 | 空気 水 |
| 使用温度範囲:空気 | -20℃~+80℃ |
| 使用温度範囲:水 | 0℃~+40℃ |
| 最高使用圧力 | 1.0MPa |
| 負圧性能 | -99.975kPa |
2件の型式
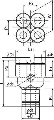
| 型式 | 適用チューブ外径 |
L (mm) |
L11 (mm) |
チューブ挿入長さ |
P3 (mm) |
P4 (mm) |
W (mm) |
D1 (mm) |
D (mm) |
d3 (mm) |
最小内径 (mm) |
有効断面積 (mm2) |
質量 (g) |
||
|---|---|---|---|---|---|---|---|---|---|---|---|---|---|---|---|
| d1 (mm) | d2 (mm) | F1 (mm) | F2 (mm) | ||||||||||||
| AUWY4-6 | 4 | 6 | 34.2 | 19.8 | 13 | 15 | 13.4 | 10.0 | 19.8 | 9.8 | 12.6 | 3.2 | 3.5 | - | - |
| AUWY6-8 | 6 | 8 | 39.2 | 24.8 | 15 | 16 | 14.8 | 12.2 | 24.8 | 12.6 | 14.6 | 4.2 | 5.0 | - | - |
| 型式 | 商品コード | 単位 |
価格 (円) |
基準納期 | |
|---|---|---|---|---|---|
| 日伝 | メーカー | ||||
| AUWY4-6 | AUWY4-6 | P | 871 | - | 在庫品 |
| AUWY6-8 | AUWY6-8 | P | 1,173 | 在庫品 | 在庫品 |
製品についてのご質問やお困りごとなどお気軽にご相談ください!