一般空気圧用プッシュワン継手(難燃性)
・チューブはプッシュワン接続です。
・無電解ニッケルめっき処理を施しています。
・ホワイトボディが作業環境を明るくします。
・難燃性樹脂(UL94規格V-0相当)採用。
共通仕様
| シリーズ | プッシュワンAシリーズ |
|---|---|
| タイプ | ミリサイズ |
| 使用流体 | 空気 水 |
| 使用温度範囲:空気 | -20℃~+80℃ |
| 使用温度範囲:水 | 0℃~+40℃ |
| 最高使用圧力 | 1.0MPa |
| 負圧性能 | -99.975kPa |
ニッタ
・チューブはプッシュワン接続です。
・無電解ニッケルめっき処理を施しています。
・ホワイトボディが作業環境を明るくします。
・難燃性樹脂(UL94規格V-0相当)採用。
| シリーズ | プッシュワンAシリーズ |
|---|---|
| タイプ | ミリサイズ |
| 使用流体 | 空気 水 |
| 使用温度範囲:空気 | -20℃~+80℃ |
| 使用温度範囲:水 | 0℃~+40℃ |
| 最高使用圧力 | 1.0MPa |
| 負圧性能 | -99.975kPa |
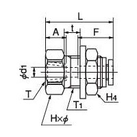
9件の型式
| 型式 |
適用 チューブ外径 (mm) |
ねじサイズ T |
L (mm) |
A (mm) |
チューブ挿入長さ F (mm) |
二面幅 H×φ (mm) |
H4 (mm) |
最大パネル厚 t (mm) |
推奨パネル穴径 T1 (mm) |
d1 (mm) |
ワッシャー |
最小内径 (mm) |
有効断面積 (mm2) |
質量 (g) |
|
|---|---|---|---|---|---|---|---|---|---|---|---|---|---|---|---|
| 外径 (mm) | 厚み (mm) | ||||||||||||||
| APFC4-R1/8 | 4 | Rc1/8 | 27.9 | 8.7 | 13 | 17.0×18.5 | 17.0 | 8.0 | 13 | 3.0 | 20 | 2.0 | 3.0 | 4.0 | 22.0 |
| APFC6-R1/8 | 6 | Rc1/8 | 29.8 | 8.7 | 15 | 19.0×21.0 | 19.0 | 9.0 | 15 | 5.0 | 24 | 2.5 | 5.0 | 10.5 | 44.0 |
| APFC6-R1/4 | 6 | Rc1/4 | 35.3 | 13.0 | 15 | 19.0×21.0 | 19.0 | 9.0 | 15 | 5.0 | 24 | 2.5 | 5.0 | 10.5 | 50.0 |
| APFC8-R1/4 | 8 | Rc1/4 | 34.4 | 13.0 | 16 | 22.0×24.5 | 22.0 | 10.5 | 17 | 7.0 | 28 | 2.5 | 7.0 | 25.0 | 64.0 |
| APFC8-R3/8 | 8 | Rc3/8 | 38.4 | 13.5 | 16 | 22.0×24.5 | 22.0 | 10.5 | 17 | 7.0 | 28 | 2.5 | 7.0 | 26.0 | 68.0 |
| APFC10-R1/4 | 10 | Rc1/4 | 40.4 | 13.0 | 19 | 27.0×30.0 | 27.0 | 14.0 | 21 | 9.0 | 34 | 3.0 | 9.0 | 40.0 | 117.0 |
| APFC10-R3/8 | 10 | Rc3/8 | 40.4 | 13.5 | 19 | 27.0×30.0 | 27.0 | 14.0 | 21 | 9.0 | 34 | 3.0 | 9.0 | 40.0 | 107.0 |
| APFC12-R1/4 | 12 | Rc1/4 | 42.3 | 13.0 | 20 | 30.0×33.5 | 30.0 | 16.0 | 23 | 10.5 | 37 | 3.0 | 10.5 | 45.0 | 147.0 |
| APFC12-R3/8 | 12 | Rc3/8 | 42.3 | 13.5 | 20 | 30.0×33.5 | 30.0 | 16.0 | 23 | 11.0 | 37 | 3.0 | 11.0 | 50.0 | 138.0 |
| 型式 | 商品コード | 単位 |
価格 (円) |
基準納期 | |
|---|---|---|---|---|---|
| 日伝 | メーカー | ||||
| APFC4-R1/8 | APFC4-R1/8 | P | 537 | 在庫品 | 在庫品 |
| APFC6-R1/8 | APFC6-R1/8 | P | 598 | 在庫品 | 在庫品 |
| APFC6-R1/4 | APFC6-R1/4 | P | 605 | 在庫品 | 在庫品 |
| APFC8-R1/4 | APFC8-R1/4 | P | 707 | 在庫品 | 在庫品 |
| APFC8-R3/8 | APFC8-R3/8 | P | 731 | 在庫品 | 在庫品 |
| APFC10-R1/4 | APFC10-R1/4 | P | 919 | - | 在庫品 |
| APFC10-R3/8 | APFC10-R3/8 | P | 931 | 在庫品 | 在庫品 |
| APFC12-R1/4 | APFC12-R1/4 | P | 1,082 | - | 在庫品 |
| APFC12-R3/8 | APFC12-R3/8 | P | 1,101 | 在庫品 | 在庫品 |
製品についてのご質問やお困りごとなどお気軽にご相談ください!