・流量の微調整が可能です。
・チューブはプッシュワン接続です。
・無電解ニッケルめっき処理を施しています。
・Rねじ部にシール加工。
ニッタ
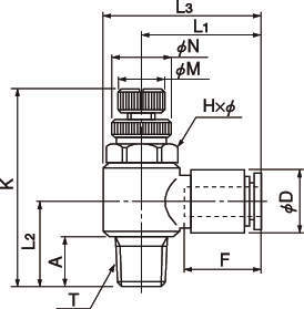
スロットルバルブ プッシュワンタイプ(エルボ)
詳細仕様
2件の型式
| 型式 |
適用チューブ 外径 (mm) |
ねじ サイズ T |
L1 (mm) |
L2 (mm) |
L3 (mm) |
K(mm) |
A (mm) |
チューブ挿入長さ F (mm) |
二面幅 H×φ (mm) |
N (mm) |
M (mm) |
D (mm) |
有効断面積 (mm2) |
質量 (g) |
|
|---|---|---|---|---|---|---|---|---|---|---|---|---|---|---|---|
| 全開 | 全閉 | ||||||||||||||
| ANC4-R1/8 | 4 | R1/8 | 20.1 | 13.7 | 27.2 | 36.0 | 31.0 | 7.3 | 13.0 | 12.0×13.5 | 11.0 | 8.0 | 9.8 | 3.0 | 19.0 |
| ANC6-R1/8 | 6 | R1/8 | 21.8 | 13.7 | 28.9 | 36.0 | 31.0 | 7.3 | 15.0 | 12.0×13.5 | 11.0 | 8.0 | 12.6 | 3.5 | 20.0 |
| 型式 | 商品コード | 単位 |
価格 (円) |
基準納期 | |
|---|---|---|---|---|---|
| 日伝 | メーカー | ||||
| ANC4-R1/8 | ANC4-R1/8 | P | 1,210 | - | お問合 |
| ANC6-R1/8 | ANC6-R1/8 | P | 1,265 | 在庫品 | お問合 |
この製品を見た人はこのような製品も見ています
製品についてのご質問やお困りごとなどお気軽にご相談ください!
Loading...

