・チューブはプッシュワン接続です。
・配管ライン上で集中制御が可能です。
・無電解ニッケルめっきを施しています。
・連結ピンを使用して連結できます。
ニッタ
スピードコントローラ(インラインタイプ)
詳細仕様
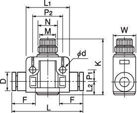
3件の型式
| 型式 |
適用チューブ 外径 (mm) |
L (mm) |
L1 (mm) |
L2 (mm) |
P1 (mm) |
P2 (mm) |
K(mm) |
チューブ挿入長さ F (mm) |
N (mm) |
M (mm) |
D (mm) |
d (mm) |
W (mm) |
質量 (g) |
適用 連結ピン 型式 |
適用 ブラケット 型式 |
|
|---|---|---|---|---|---|---|---|---|---|---|---|---|---|---|---|---|---|
| 全開 | 全閉 | ||||||||||||||||
| ASU4 | 4 | 41.8 | 20.0 | 6.4 | 6.0 | 14.0 | 29.5 | 26.9 | 13.5 | 8.0 | 5.0 | 9.8 | 3.0 | 10.6 | 11.5 | HPN4 | BRK4 |
| ASU6 | 6 | 47.6 | 28.0 | 9.0 | 8.2 | 20.0 | 43.5 | 39.8 | 15.0 | 11.0 | 8.0 | 12.6 | 4.2 | 15.0 | 31.0 | HPN6 | BRK6 |
| ASU8 | 8 | 55.8 | 30.0 | 10.3 | 9.2 | 22.0 | 47.7 | 42.1 | 16.0 | 13.0 | 10.0 | 14.6 | 4.2 | 17.6 | 48.0 | HPN6 | BRK8 |
| 型式 | 商品コード | 単位 |
価格 (円) |
基準納期 | |
|---|---|---|---|---|---|
| 日伝 | メーカー | ||||
| ASU4 | ASU4 | P | 1,265 | 在庫品 | 在庫品 |
| ASU6 | ASU6 | P | 1,430 | 在庫品 | 在庫品 |
| ASU8 | ASU8 | P | 1,595 | 在庫品 | 在庫品 |
関連製品
この製品を見た人はこのような製品も見ています
製品についてのご質問やお困りごとなどお気軽にご相談ください!
Loading...

