共通仕様
| シリーズ | プッシュワンA-ミニシリーズ |
|---|---|
| タイプ | ミニタイプ ミリサイズ |
| 使用流体 | 空気 |
| 使用温度範囲:空気 | -20℃~+80℃ |
| 最高使用圧力 | 1.0MPa |
| 負圧性能 | -99.975kPa |
ニッタ
| シリーズ | プッシュワンA-ミニシリーズ |
|---|---|
| タイプ | ミニタイプ ミリサイズ |
| 使用流体 | 空気 |
| 使用温度範囲:空気 | -20℃~+80℃ |
| 最高使用圧力 | 1.0MPa |
| 負圧性能 | -99.975kPa |
1件の型式
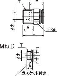
| 型式 |
適用 チューブ外径 (mm) |
ねじサイズ T |
L (mm) |
A (mm) |
チューブ挿入長さ F (mm) |
二面幅 H×φ (mm) |
最小内径 d1 (mm) |
有効断面積 (mm2) |
質量 (g) |
|---|---|---|---|---|---|---|---|---|---|
| AC6-R1/8-M | 6 | R1/8 | 18.5 | 7.3 | 12.5 | 10.0×11.0 | 4 | 9 | - |
| 型式 | 商品コード | 単位 |
価格 (円) |
基準納期 | |
|---|---|---|---|---|---|
| 日伝 | メーカー | ||||
| AC6-R1/8-M | AC6-R1/8-M | P | 200 | 在庫品 | 在庫品 |
製品についてのご質問やお困りごとなどお気軽にご相談ください!