共通仕様
| シリーズ | プッシュワンA-ミニシリーズ |
|---|---|
| タイプ | ミニタイプ ミリサイズ |
| 使用流体 | 空気 |
| 使用温度範囲:空気 | -20℃~+80℃ |
| 最高使用圧力 | 1.0MPa |
| 負圧性能 | -99.975kPa |
ニッタ
| シリーズ | プッシュワンA-ミニシリーズ |
|---|---|
| タイプ | ミニタイプ ミリサイズ |
| 使用流体 | 空気 |
| 使用温度範囲:空気 | -20℃~+80℃ |
| 最高使用圧力 | 1.0MPa |
| 負圧性能 | -99.975kPa |
1件の型式
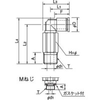
| 型式 |
適用 チューブ外径 (mm) |
ねじサイズ T |
L1 (mm) |
L2 (mm) |
L3 (mm) |
L4 (mm) |
A (mm) |
チューブ挿入長さ F (mm) |
二面幅 H×φ (mm) |
D (mm) |
d1 (mm) |
最小内径 (mm) |
有効断面積 (mm2) |
質量 (g) |
|---|---|---|---|---|---|---|---|---|---|---|---|---|---|---|
| ALL6-M5-M | 6 | M5×0.8 | 15.6 | 26 | 20 | 31 | 3.5 | 12.5 | 8.0×8.8 | 10 | 2.5 | 2.5 | 4.5 | - |
| 型式 | 商品コード | 単位 |
価格 (円) |
基準納期 | |
|---|---|---|---|---|---|
| 日伝 | メーカー | ||||
| ALL6-M5-M | ALL6-M5-M | P | 460 | 在庫品 | 在庫品 |
製品についてのご質問やお困りごとなどお気軽にご相談ください!