共通仕様
| シリーズ | プッシュワンA-ミニシリーズ |
|---|---|
| タイプ | ミニタイプ ミリサイズ |
| 使用流体 | 空気 |
| 使用温度範囲:空気 | -20℃~+80℃ |
| 最高使用圧力 | 1.0MPa |
| 負圧性能 | -99.975kPa |
ニッタ
| シリーズ | プッシュワンA-ミニシリーズ |
|---|---|
| タイプ | ミニタイプ ミリサイズ |
| 使用流体 | 空気 |
| 使用温度範囲:空気 | -20℃~+80℃ |
| 最高使用圧力 | 1.0MPa |
| 負圧性能 | -99.975kPa |
1件の型式
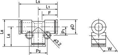
| 型式 |
適用チューブ 外径 (mm) |
L1 (mm) |
L5 (mm) |
L6 (mm) |
L8 (mm) |
P1 (mm) |
P2 (mm) |
チューブ挿入長さ F (mm) |
D (mm) |
W (mm) |
最小内径 (mm) |
有効断面積 (mm2) |
質量 (g) |
|---|---|---|---|---|---|---|---|---|---|---|---|---|---|
| AUT4-M | 4 | 14.9 | 29.8 | 14.9 | 18.9 | 5 | 10 | 11.5 | 8 | 8 | 3 | 3.5 | - |
| 型式 | 商品コード | 単位 |
価格 (円) |
基準納期 | |
|---|---|---|---|---|---|
| 日伝 | メーカー | ||||
| AUT4-M | AUT4-M | P | 450 | 在庫品 | 在庫品 |
製品についてのご質問やお困りごとなどお気軽にご相談ください!