C□N
-
C□N
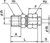
多用途目的配管用ねじ込み式継手
・ねじ込み式です。
・強いシール性能を発揮します。
・JIS B 8381-1995(空気圧用たわみ管の管継手)適合品です。
・コネクタのみシール加工をしています。
共通仕様
| シリーズ | クイックシールシリーズ |
|---|---|
| タイプ | インサートタイプ(黄銅仕様) |
| 使用流体 | 空気、水、一般作動油 |
| 使用温度範囲:空気 | ナイロンスリーブ:-40℃~+80℃ 黄銅スリーブ:-40℃~+100℃ |
| 使用温度範囲:水 | ナイロンスリーブ:0℃~+70℃ 黄銅スリーブ:0℃~+100℃ |
| 使用温度範囲:一般作動油 | ナイロンスリーブ:-40℃~+80℃ 黄銅スリーブ:-40℃~+100℃ |
| 最高使用圧力 | 5.0MPa |
| 負圧性能 | -101.294kPa |

