90°エルボ 4A02
-
90°エルボ 4A02
共通仕様
| シリーズ | クイックシールシリーズ |
|---|---|
| タイプ | インサートレスタイプ(黄銅仕様) |
| 使用流体 | 空気 |
| 使用温度範囲:空気 | -40℃~+100℃ |
| 最高使用圧力 | 1.0MPa |
| 負圧性能 | -99.975kPa |
ニッタ
90°エルボ 4A02
90°エルボ 4A02
| シリーズ | クイックシールシリーズ |
|---|---|
| タイプ | インサートレスタイプ(黄銅仕様) |
| 使用流体 | 空気 |
| 使用温度範囲:空気 | -40℃~+100℃ |
| 最高使用圧力 | 1.0MPa |
| 負圧性能 | -99.975kPa |
9件の型式
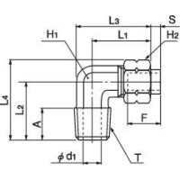
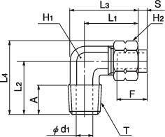
| 型式 | 形状 | タイプ | サイズ |
適用 チューブ 外径 |
ねじサイズ T |
L1 (mm) |
L2 (mm) |
L3 (mm) |
L4 (mm) |
A (mm) |
S (mm) |
チューブ挿入長さ F (mm) |
二面幅(mm) |
d1 (mm) |
最小内径 (mm) |
有効 断面積 (mm2) |
質量 (g) |
|
|---|---|---|---|---|---|---|---|---|---|---|---|---|---|---|---|---|---|---|
| H1 | H2 | |||||||||||||||||
| 4A02-2402 | 90°エルボ | 4A02 | ミリサイズ | φ4mm | R1/8 | 20.4 | 18.5 | 26.2 | 24.3 | 11.0 | 2.7 | 14 | 10 | 10 | 5 | 2 | 3 | 19 |
| 4A02-2602 | 90°エルボ | 4A02 | ミリサイズ | φ6mm | R1/8 | 20.4 | 18.5 | 26.2 | 25.4 | 11.0 | 2.6 | 14 | 10 | 12 | 5 | 4 | 9 | 20 |
| 4A02-2604 | 90°エルボ | 4A02 | ミリサイズ | φ6mm | R1/4 | 22.9 | 22.0 | 29.9 | 28.9 | 12.0 | 2.6 | 14 | 12 | 12 | 7 | 4 | 10 | 30 |
| 4A02-2802 | 90°エルボ | 4A02 | ミリサイズ | φ8mm | R1/8 | 22.8 | 21.0 | 29.8 | 29.1 | 11.0 | 2.6 | 15 | 12 | 14 | 5 | 5 | 16 | 29 |
| 4A02-2804 | 90°エルボ | 4A02 | ミリサイズ | φ8mm | R1/4 | 22.8 | 22.0 | 29.8 | 30.1 | 12.0 | 2.6 | 15 | 12 | 14 | 7 | 6 | 22 | 32 |
| 4A02-3004 | 90°エルボ | 4A02 | ミリサイズ | φ10mm | R1/4 | 27.0 | 25.0 | 35.1 | 34.8 | 13.5 | 2.3 | 18 | 14 | 17 | 7 | 7 | 30 | 46 |
| 4A02-3006 | 90°エルボ | 4A02 | ミリサイズ | φ10mm | R3/8 | 27.0 | 26.0 | 35.5 | 35.8 | 13.0 | 2.3 | 18 | 14 | 17 | 9 | 7.5 | 35 | 82 |
| 4A02-3206 | 90°エルボ | 4A02 | ミリサイズ | φ12mm | R3/8 | 27.5 | 26.0 | 36.0 | 37.0 | 13.0 | 3.1 | 19 | 14 | 19 | 9 | 8 | 40 | 53 |
| 4A02-3208 | 90°エルボ | 4A02 | ミリサイズ | φ12mm | R1/2 | 30.0 | 33.0 | 40.8 | 44.0 | 18.0 | 3.1 | 19 | 14 | 19 | 10 | 8 | 40 | 90 |
| 型式 | 商品コード | 単位 |
価格 (円) |
基準納期 | |
|---|---|---|---|---|---|
| 日伝 | メーカー | ||||
| 4A02-2402 | 4A02-2402 | P | 630 | 在庫品 | 在庫品 |
| 4A02-2602 | 4A02-2602 | P | 621 | 在庫品 | 在庫品 |
| 4A02-2604 | 4A02-2604 | P | 683 | 在庫品 | 在庫品 |
| 4A02-2802 | 4A02-2802 | P | 733 | 在庫品 | 在庫品 |
| 4A02-2804 | 4A02-2804 | P | 733 | 在庫品 | 在庫品 |
| 4A02-3004 | 4A02-3004 | P | 773 | 在庫品 | 在庫品 |
| 4A02-3006 | 4A02-3006 | P | 927 | 在庫品 | 在庫品 |
| 4A02-3206 | 4A02-3206 | P | 998 | 在庫品 | 在庫品 |
| 4A02-3208 | 4A02-3208 | P | 1,364 | 在庫品 | 在庫品 |
製品についてのご質問やお困りごとなどお気軽にご相談ください!