共通仕様
| シリーズ | クイックシールシリーズ |
|---|---|
| タイプ | インサートレスタイプ(黄銅仕様) |
| 使用流体 | 空気 |
| 使用温度範囲:空気 | -40℃~+100℃ |
| 最高使用圧力 | 1.0MPa |
| 負圧性能 | -99.975kPa |
ニッタ
| シリーズ | クイックシールシリーズ |
|---|---|
| タイプ | インサートレスタイプ(黄銅仕様) |
| 使用流体 | 空気 |
| 使用温度範囲:空気 | -40℃~+100℃ |
| 最高使用圧力 | 1.0MPa |
| 負圧性能 | -99.975kPa |
2件の型式
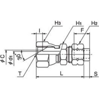
| 型式 | 形状 | タイプ | サイズ |
適用 チューブ 外径 |
ねじサイズ T |
L mm) |
S (mm) |
I (mm) |
チューブ挿入長さ F (mm) |
二面幅(mm) |
C (mm) |
d1 (mm) |
最小内径 (mm) |
有効 断面積 (mm2) |
質量 (g) |
||
|---|---|---|---|---|---|---|---|---|---|---|---|---|---|---|---|---|---|
| H1 | H2 | H3 | |||||||||||||||
| 4A06-2604 | スィーベルナットメスコネクタ | 4A06 | ミリサイズ | φ6mm | G1/4 | 34.6 | 2.6 | 5.7 | 14 | 17.0 | 12.0 | 19 | 7 | 5 | 5 | 10 | 43 |
| 4A06-2804 | スィーベルナットメスコネクタ | 4A06 | ミリサイズ | φ8mm | G1/4 | 34.5 | 2.6 | 5.7 | 18 | 17.0 | 14.0 | 19 | 7 | 5 | 5 | 18 | 45 |
| 型式 | 商品コード | 単位 |
価格 (円) |
基準納期 | |
|---|---|---|---|---|---|
| 日伝 | メーカー | ||||
| 4A06-2604 | 4A06-2604 | P | 957 | - | 在庫品 |
| 4A06-2804 | 4A06-2804 | P | 1,029 | - | 在庫品 |
製品についてのご質問やお困りごとなどお気軽にご相談ください!