モノづくりの困ったを解決する総合サイト

Produced by

クリーン継手 ケミフィットC1シリーズ ティー ET-C1

クリーンエア・純水・薬液配管用プッシュワン継手

【ケミフィットC1シリーズの特長】
■完全禁油処理品です。
・クリーンルーム内で部品洗浄し、組立しています。シール材にも一切油脂類は使用していません。

■チューブはプッシュワン接続です。
・チューブの接続には、冶具・工具は不要です。

■接液部は非金属です。
・流体が金属に触れることはありませんので金属イオンの溶出がありません。

■無発塵・非汚染性に優れています。
・特殊ポリプロピレン樹脂を素材としています。

■内面平滑性に優れています。
・射出成形品なので、内面が滑らかです。

■二重クリーン梱包です。
・クリーンルーム内で1個ずつパックし、更にチャックシール袋に梱包しています。

■ボディ、アダプタが回転します。
・エルボ・ティーなどは、配管時、方向決めが可能です。

■厚生労働省告示第201号(平成18年)、厚生省告示第370号(昭和34年)に適合しています。

#チューブ継手
#継手

共通仕様

シリーズ ケミフィットC1シリーズ
タイプ ミリサイズ
使用流体 空気(クリーンエア)、水(純水)
使用温度範囲:空気 -20℃~+80℃
使用温度範囲:水 0℃~+80℃
最高使用圧力 0.7MPa (at20℃)
負圧性能 -99.975kPa

詳細仕様

  • 18件中 1-10件

  • 表示件数

18件の型式

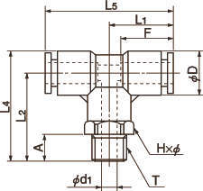
型式 形状 タイプ 適用
チューブ外径
ねじ
サイズ
T
L1
(mm)
L2
(mm)
L4
(mm)
L5
(mm)
A
(mm)
チューブ挿入長さ
F
(mm)
二面幅
H×φ
(mm)
D
(mm)
d1
(mm)
最小内径
(mm)
有効断面積
(mm2)
質量
(g)
ET4-R1/8-C1 ティー ミリサイズ 4mm R1/8 17.7 23.7 28.6 35.3 9.0 14 10.0×11.0 10.0 5.0 3.0 4.0 3.0
ET4-R1/4-C1 ティー ミリサイズ 4mm R1/4 17.7 27.7 32.6 35.3 12.0 14 14.0×15.4 10.0 7.0 3.0 4.0 4.0
ET6-R1/8-C1 ティー ミリサイズ 6mm R1/8 18.9 26.2 32.5 37.9 9.0 15 12.0×13.0 13.0 4.5 4.5 12.0 5.0
ET6-R1/4-C1 ティー ミリサイズ 6mm R1/4 18.9 30.2 36.5 37.9 12.0 15 14.0×15.4 13.0 7.0 4.5 12.0 6.0
ET8-R1/8-C1 ティー ミリサイズ 8mm R1/8 21.1 29.2 36.5 42.2 9.0 16 14.0×15.4 15.0 6.0 6.0 18.5 7.0
ET8-R1/4-C1 ティー ミリサイズ 8mm R1/4 21.1 31.2 38.5 42.2 12.0 16 14.0×15.4 15.0 6.5 6.5 23.0 8.0
ET10-R1/4-C1 ティー ミリサイズ 10mm R1/4 25.0 37.2 46.0 50.0 12.0 19 17.0×18.5 18.0 8.0 8.0 34.5 14.0
ET10-R3/8-C1 ティー ミリサイズ 10mm R3/8 25.0 37.2 46.0 50.0 14.0 19 17.0×18.5 18.0 9.0 8.0 37.0 16.0
ET12-R3/8-C1 ティー ミリサイズ 12mm R3/8 26.7 38.7 48.8 53.4 14.0 20 19.0×21.0 20.5 10.0 10.0 43.0 19.0
ET12-R1/2-C1 ティー ミリサイズ 12mm R1/2 26.7 41.7 51.8 53.4 16.0 20 22.0×24.0 20.5 12.0 9.5 43.0 21.0

型式 商品コード 単位 価格
(円)
基準納期
日伝 メーカー
ET4-R1/8-C1 ET4-R1/8-C1 P 1,503 在庫品 在庫品
ET4-R1/4-C1 ET4-R1/4-C1 P 1,503 - 在庫品
ET6-R1/8-C1 ET6-R1/8-C1 P 1,503 在庫品 在庫品
ET6-R1/4-C1 ET6-R1/4-C1 P 1,503 在庫品 在庫品
ET8-R1/8-C1 ET8-R1/8-C1 P 1,593 在庫品 在庫品
ET8-R1/4-C1 ET8-R1/4-C1 P 1,593 在庫品 在庫品
ET10-R1/4-C1 ET10-R1/4-C1 P 1,784 在庫品 在庫品
ET10-R3/8-C1 ET10-R3/8-C1 P 1,784 在庫品 在庫品
ET12-R3/8-C1 ET12-R3/8-C1 P 2,216 在庫品 在庫品
ET12-R1/2-C1 ET12-R1/2-C1 P 2,262 - 在庫品

この製品を見た人はこのような製品も見ています

1952年設立で、動力伝導機器・産業機器・制御機器等の機械設備及び機械器具関連製品の販売をしている専門総合商社です。
日本国内で40以上の拠点を持ち、信頼性の高い製品と技術力で、全国のものづくりに携わる方々のあらゆるお困りごとを解決しています。

Loading...