モノづくりの困ったを解決する総合サイト

Produced by

クリーン継手 ケミフィットCSEシリーズ ブッシング 3A0

クリーンエア・純水・薬液配管用ねじ込み式継手

【ケミフィット CSEシリーズの特長】
■SUS316製のねじ込み式継手です。
・当社独自の機構を採用したアセンブリナットとボディの2点式です。

■チューブの取り付け・取り外し施工性が大幅に向上します。
・ボディにインサートを一体化し、アセンブリナットにはスリーブを内蔵しています。
・ボディ・アセンブリナット共に再利用が可能です。

■チューブ取り付けのバラツキがありません。
・チューブ接続はアセンブリナットが継手本体に当たることで完了。
・トルク管理や特殊な工具は不要です。

■チューブ取り付け時にチューブの共回りがありません。
・アセンブリナットに内蔵されたスリーブが回転するためチューブの共回りがありません。

■完全禁油処理品です。
・クリーンルーム内で部品洗浄し、セットしています。

■強いシール性能を発揮します。
・独自のシール機構を採用することで、 冷熱サイクルによるシール性能の劣化に対して優れた耐久性を示します。

■アセンブリナットの増し締め不要です。
・応力緩和現象が発生しにくい構造で長期的なシール性に優れ、 メンテナンス時にアセンブリナットの増し締めが不要です。

■優れた内面平滑性・エルボ交差部R球面加工。
・継手内面の表面粗さはRa3.2以下。エルボなどは90度部分に球面加工を施し、 液溜りや洗浄剤などの残痕が少なくなります。

■アセンブリナット内側ねじに、銀メッキ処理をしています。
・チューブ締め込み時に、ボディとアセンブリナットの焼付きを防止します。

#チューブ継手
#継手

共通仕様

シリーズ ケミフィットCSE/CSシリーズ
タイプ ミリサイズ
使用流体 空気(クリーンエア)、水(純水)

詳細仕様

  • 3件中 1-3件

  • 表示件数

3件の型式

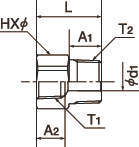
型式 ねじサイズ L
(mm)
A1
(mm)
A2
(mm)
二面幅
H×φ
(mm)
d1
(mm)
質量
(g)
T1 T2
3A0-4-6-CS Rc1/4 R3/8 29.0 14.0 13.0 17.0×18.5 9.0 -
3A0-6-8-CS Rc3/8 R1/2 34.5 18.0 13.5 22.0×24.5 11.0 -
3A0-8-12-CS Rc1/2 R3/4 40.0 20.0 17.5 30.0×33.0 11.0 -

型式 商品コード 単位 価格
(円)
基準納期
日伝 メーカー
3A0-4-6-CS 3A0-4-6-CS P 3,282 - お問合
3A0-6-8-CS 3A0-6-8-CS P 4,767 在庫品 お問合
3A0-8-12-CS 3A0-8-12-CS P 6,565 - お問合

この製品を見た人はこのような製品も見ています

1952年設立で、動力伝導機器・産業機器・制御機器等の機械設備及び機械器具関連製品の販売をしている専門総合商社です。
日本国内で40以上の拠点を持ち、信頼性の高い製品と技術力で、全国のものづくりに携わる方々のあらゆるお困りごとを解決しています。

Loading...