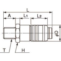
カプラー
-
カプラー
-
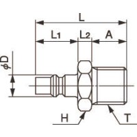
ニップル
-
自動開閉バルブ内蔵の空気圧用小型カプラー
プッシュ・トゥ・コネクト方式です。
・カプラー側とニップル側の接続は、押し込むだけのワンタッチ接続です。
カプラー側に自動開閉バルブを内蔵しています。
・カプラーとニップルの接続を行うと、同時にカプラー側のバルブが開きます。
共通仕様
| 使用流体 | 空気 |
|---|---|
| 使用温度範囲 | -20℃~+80℃ |
| 最高使用圧力 | 1.0MPa |
| 負圧性能(kPa) | -99.975kPa |
| 本体材質 | 真鍮(C3604) |

