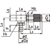
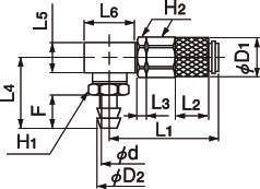
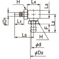
カプラー
-
カプラー
-
ニップル
自動開閉バルブを再蔵した空気圧・油圧用マイクロカプラー
プッシュ・トゥ・コネクト方式です
・カプラー側とニップル側の接続には、押し込むだけのワンタッチ接続です。
カプラー側に自動開閉バルブを内蔵しています
・カプラーとニップルの接続を行うと、自動的にカプラー側のバルブが開きます。
101シリーズより更にコンパクトです
・竹のこ継手一体型をラインアップ。U5チューブに直接接続が可能です。
無電解ニッケルめっき処理を施しています
・表面状態の劣化が少なく、流体への銅イオンの溶出も防止します。
共通仕様
| 使用流体 | 空気、水、一般作動油 |
|---|---|
| 使用温度範囲 | 空気:-20℃~+80℃ 水:0℃~+80℃ 一般作動油:-20℃~+80℃ |
| 最高使用圧力 | 1.0MPa |
| 負圧性能(kPa) | -99.975kPa |
| 本体材質 | 真鍮(C3604) 無電解ニッケルメッキ処理(ELp-Cu/Ni-P) |

