・従来タイプに比べてコンパクトです。
・低流量域で微調整がしやすい。
・チューブはプッシュワン接続です。
・難燃性樹脂(UL94規格V-0相当)採用。
・無電解ニッケルめっき処理を施しています。
・Rねじ部にシール加工。
ニッタ
コンパクトスピードコントローラ(ユニバーサルタイプ)
詳細仕様
20件の型式
| 型式 | 制御方式 |
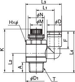
適用チューブ 外径 (mm) |
ねじ サイズ T |
L1 (mm) |
L2 (mm) |
L3 (mm) |
L4 (mm) |
K(mm) |
A (mm) |
チューブ挿入長さ F (mm) |
二面幅 H×φ (mm) |
N (mm) |
M (mm) |
D (mm) |
D1 (mm) |
質量 (g) |
|
|---|---|---|---|---|---|---|---|---|---|---|---|---|---|---|---|---|---|
| 全開 | 全閉 | ||||||||||||||||
| ASD4-M5-O | メータアウト | 4 | M5×0.8 | 9.9 | 10.1 | 18.5 | 24.5 | 28.6 | 25.8 | 3.4 | 11.0 | 8.0×9.0 | 8.0 | 5.0 | 8.0 | 9.6 | 8.0 |
| ASD4-M5-I | メータイン | 4 | M5×0.8 | 9.9 | 10.1 | 18.5 | 24.5 | 28.6 | 25.8 | 3.4 | 11.0 | 8.0×9.0 | 8.0 | 5.0 | 8.0 | 9.6 | 8.0 |
| ASD4-R1/8-O | メータアウト | 4 | R1/8 | 12.2 | 13.7 | 23.1 | 28.0 | 36.0 | 31.0 | 7.3 | 11.0 | 12.0×13.5 | 11.0 | 8.0 | 8.0 | 14.2 | 18.0 |
| ASD4-R1/8-I | メータイン | 4 | R1/8 | 12.2 | 13.7 | 23.1 | 28.0 | 36.0 | 31.0 | 7.3 | 11.0 | 12.0×13.5 | 11.0 | 8.0 | 8.0 | 14.2 | 18.0 |
| ASD6-M5-O | メータアウト | 6 | M5×0.8 | 9.9 | 10.1 | 19.5 | 25.9 | 28.6 | 25.8 | 3.4 | 12.0 | 8.0×9.0 | 8.0 | 5.0 | 10.0 | 9.6 | 8.0 |
| ASD6-M5-I | メータイン | 6 | M5×0.8 | 9.9 | 10.1 | 19.5 | 25.9 | 28.6 | 25.8 | 3.4 | 12.0 | 8.0×9.0 | 8.0 | 5.0 | 10.0 | 9.6 | 8.0 |
| ASD6-R1/8-O | メータアウト | 6 | R1/8 | 12.2 | 13.7 | 24.1 | 29.4 | 36.0 | 31.0 | 7.3 | 12.0 | 12.0×13.5 | 11.0 | 8.0 | 10.0 | 14.2 | 19.0 |
| ASD6-R1/8-I | メータイン | 6 | R1/8 | 12.2 | 13.7 | 24.1 | 29.4 | 36.0 | 31.0 | 7.3 | 12.0 | 12.0×13.5 | 11.0 | 8.0 | 10.0 | 14.2 | 19.0 |
| ASD6-R1/4-O | メータアウト | 6 | R1/4 | 14.3 | 17.1 | 28.4 | 32.9 | 40.3 | 35.3 | 10.8 | 12.0 | 14.0×15.8 | 13.0 | 10.0 | 10.0 | 18.5 | 32.0 |
| ASD6-R1/4-I | メータイン | 6 | R1/4 | 14.3 | 17.1 | 28.4 | 32.9 | 40.3 | 35.3 | 10.8 | 12.0 | 14.0×15.8 | 13.0 | 10.0 | 10.0 | 18.5 | 32.0 |
| 型式 | 商品コード | 単位 |
価格 (円) |
基準納期 | |
|---|---|---|---|---|---|
| 日伝 | メーカー | ||||
| ASD4-M5-O | ASD4-M5-O | P | 1,439 | 在庫品 | 在庫品 |
| ASD4-M5-I | ASD4-M5-I | P | 1,439 | 在庫品 | 在庫品 |
| ASD4-R1/8-O | ASD4-R1/8-O | P | 1,585 | 在庫品 | 在庫品 |
| ASD4-R1/8-I | ASD4-R1/8-I | P | 1,585 | 在庫品 | 在庫品 |
| ASD6-M5-O | ASD6-M5-O | P | 1,585 | 在庫品 | 在庫品 |
| ASD6-M5-I | ASD6-M5-I | P | 1,585 | 在庫品 | 在庫品 |
| ASD6-R1/8-O | ASD6-R1/8-O | P | 1,669 | 在庫品 | 在庫品 |
| ASD6-R1/8-I | ASD6-R1/8-I | P | 1,669 | 在庫品 | 在庫品 |
| ASD6-R1/4-O | ASD6-R1/4-O | P | 1,815 | 在庫品 | 在庫品 |
| ASD6-R1/4-I | ASD6-R1/4-I | P | 1,815 | 在庫品 | 在庫品 |
この製品を見た人はこのような製品も見ています
製品についてのご質問やお困りごとなどお気軽にご相談ください!
Loading...

