一般空気圧用プッシュワン継手(難燃性)
・チューブはプッシュワン接続です。
・無電解ニッケルめっき処理を施しています。
・難燃性樹脂(UL94規格V-0相当)採用。
・Rねじ部にシール加工。
共通仕様
| シリーズ | プッシュワンEシリーズ |
|---|---|
| 使用流体 | 空気、水 |
| 使用温度範囲:空気 | -20℃~+80℃ |
| 使用温度範囲:水 | 0℃~+40℃ |
| 最高使用圧力 | 1.0MPa |
| 負圧性能 | -99.975kPa |
ニッタ
・チューブはプッシュワン接続です。
・無電解ニッケルめっき処理を施しています。
・難燃性樹脂(UL94規格V-0相当)採用。
・Rねじ部にシール加工。
| シリーズ | プッシュワンEシリーズ |
|---|---|
| 使用流体 | 空気、水 |
| 使用温度範囲:空気 | -20℃~+80℃ |
| 使用温度範囲:水 | 0℃~+40℃ |
| 最高使用圧力 | 1.0MPa |
| 負圧性能 | -99.975kPa |
12件の型式
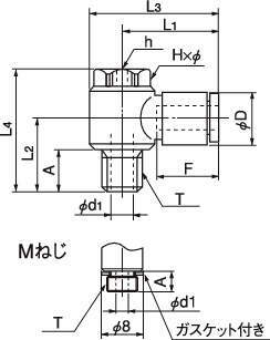
| 型式 | 形状 | タイプ |
適用 チューブ外径 |
ねじサイズ T |
L1 (mm) |
L2 (mm) |
L3 (mm) |
L4 (mm) |
A (mm) |
チューブ挿入長さ F (mm) |
二面幅(mm) |
h (mm) |
D (mm) |
d1 (mm) |
最小内径 (mm) |
有効断面積 (mm2) |
質量 (g) |
|---|---|---|---|---|---|---|---|---|---|---|---|---|---|---|---|---|---|
| H×φ | |||||||||||||||||
| ELB4-M5 | ユニバーサルエルボ | ミリサイズ | 4mm | M5×0.8 | 20.4 | 11.5 | 25.3 | 21.0 | 4.0 | 13 | 8.0×9.0 | 3.0 | 9.8 | 2 | 2 | 3 | 10 |
| ELB4-PT1/8 | ユニバーサルエルボ | ミリサイズ | 4mm | R1/8 | 23.4 | 17.5 | 30.4 | 30.0 | 9.5 | 13 | 13.0×14.0 | 5.0 | 9.8 | 5 | 3 | 4 | 20 |
| ELB6-M5 | ユニバーサルエルボ | ミリサイズ | 6mm | M5×0.8 | 20.8 | 11.5 | 25.6 | 21.0 | 4.0 | 15 | 8.0×9.0 | 3.0 | 12.6 | 2 | 2 | 3.5 | 10 |
| ELB6-PT1/8 | ユニバーサルエルボ | ミリサイズ | 6mm | R1/8 | 22.8 | 17.5 | 29.8 | 30.0 | 9.5 | 15 | 13.0×14.0 | 5.0 | 12.6 | 5 | 3.2 | 8 | 21 |
| ELB6-PT1/4 | ユニバーサルエルボ | ミリサイズ | 6mm | R1/4 | 24.8 | 22.9 | 34.5 | 37.5 | 13.4 | 15 | 17.0×18.3 | 6.0 | 12.6 | 7 | 4.2 | 9 | 43 |
| ELB8-PT1/8 | ユニバーサルエルボ | ミリサイズ | 8mm | R1/8 | 24.4 | 17.5 | 31.4 | 30.0 | 9.5 | 16 | 13.0×14.0 | 5.0 | 14.6 | 5 | 3.2 | 9 | 41 |
| ELB8-PT1/4 | ユニバーサルエルボ | ミリサイズ | 8mm | R1/4 | 26.4 | 22.9 | 36.1 | 37.5 | 13.4 | 16 | 17.0×18.3 | 6.0 | 14.6 | 7 | 4.2 | 14.5 | 44 |
| ELB8-PT3/8 | ユニバーサルエルボ | ミリサイズ | 8mm | R3/8 | 28.4 | 24.4 | 40.4 | 40.5 | 13.9 | 16 | 21.0×22.6 | 8.0 | 14.6 | 9 | 6 | 19 | 69 |
| ELB10-PT1/4 | ユニバーサルエルボ | ミリサイズ | 10mm | R1/4 | 29.4 | 22.9 | 39.1 | 37.5 | 13.4 | 19 | 17.0×18.3 | 6.0 | 17.5 | 7 | 4.2 | 15.5 | 74 |
| ELB10-PT3/8 | ユニバーサルエルボ | ミリサイズ | 10mm | R3/8 | 31.4 | 24.4 | 43.4 | 40.5 | 13.9 | 19 | 21.0×22.6 | 8.0 | 17.5 | 9 | 6 | 23 | 74 |
| 型式 | 商品コード | 単位 |
価格 (円) |
基準納期 | |
|---|---|---|---|---|---|
| 日伝 | メーカー | ||||
| ELB4-M5 | ELB4-M5 | P | 544 | 在庫品 | 在庫品 |
| ELB4-PT1/8 | ELB4-PT1/8 | P | 528 | 在庫品 | 在庫品 |
| ELB6-M5 | ELB6-M5 | P | 550 | 在庫品 | 在庫品 |
| ELB6-PT1/8 | ELB6-PT1/8 | P | 539 | 在庫品 | 在庫品 |
| ELB6-PT1/4 | ELB6-PT1/4 | P | 572 | 在庫品 | 在庫品 |
| ELB8-PT1/8 | ELB8-PT1/8 | P | 583 | 在庫品 | 在庫品 |
| ELB8-PT1/4 | ELB8-PT1/4 | P | 616 | 在庫品 | 在庫品 |
| ELB8-PT3/8 | ELB8-PT3/8 | P | 737 | 在庫品 | 在庫品 |
| ELB10-PT1/4 | ELB10-PT1/4 | P | 814 | 在庫品 | 在庫品 |
| ELB10-PT3/8 | ELB10-PT3/8 | P | 836 | 在庫品 | 在庫品 |
製品についてのご質問やお困りごとなどお気軽にご相談ください!