共通仕様
| シリーズ | プッシュワンEシリーズ |
|---|---|
| 使用流体 | 空気、水 |
| 使用温度範囲:空気 | -20℃~+80℃ |
| 使用温度範囲:水 | 0℃~+40℃ |
| 最高使用圧力 | 1.0MPa |
| 負圧性能 | -99.975kPa |
ニッタ
| シリーズ | プッシュワンEシリーズ |
|---|---|
| 使用流体 | 空気、水 |
| 使用温度範囲:空気 | -20℃~+80℃ |
| 使用温度範囲:水 | 0℃~+40℃ |
| 最高使用圧力 | 1.0MPa |
| 負圧性能 | -99.975kPa |
14件の型式
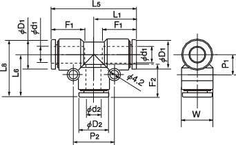
| 型式 | 形状 | タイプ | 適用チューブ外径 |
L1 (mm) |
L5 (mm) |
L6 (mm) |
L8 (mm) |
チューブ挿入長さ(mm) |
P1 (mm) |
P2 (mm) |
D1 (mm) |
D2 (mm) |
W (mm) |
最小内径 (mm) |
有効断面積 (mm2) |
質量 (g) |
||
|---|---|---|---|---|---|---|---|---|---|---|---|---|---|---|---|---|---|---|
| d1 | d2 | F1 | F2 | |||||||||||||||
| EUT4 | ユニオンティー | ミリサイズ | 4mm | 4mm | 17.2 | 34.4 | 17.2 | 22.1 | 13 | 13 | 6.9 | 14.0 | 9.8 | 9.8 | 9.7 | 3 | 3.5 | 6 |
| EUT4-6 | ユニオンティー | ミリサイズ | 4mm | 6mm | 17.7 | 35.4 | 18.0 | 22.9 | 13 | 15 | 6.8 | 17.0 | 9.8 | 12.6 | 12.5 | 3 | 2.5 | 8 |
| EUT6 | ユニオンティー | ミリサイズ | 6mm | 6mm | 18.5 | 37.0 | 18.5 | 24.8 | 15 | 15 | 8.3 | 17.0 | 12.6 | 12.6 | 12.5 | 5 | 4.5 | 9 |
| EUT6-8 | ユニオンティー | ミリサイズ | 6mm | 8mm | 19.5 | 39.0 | 20.4 | 26.7 | 15 | 16 | 8.2 | 19.0 | 12.6 | 14.6 | 14.5 | 5 | 15.5 | 11 |
| EUT8 | ユニオンティー | ミリサイズ | 8mm | 8mm | 20.7 | 41.4 | 20.7 | 28.0 | 16 | 16 | 9.3 | 19.0 | 14.6 | 14.6 | 14.5 | 7 | 19.5 | 13 |
| EUT8-10 | ユニオンティー | ミリサイズ | 8mm | 10mm | 21.7 | 43.4 | 24.4 | 31.7 | 16 | 19 | 9.2 | 22.0 | 14.6 | 17.5 | 17.5 | 7 | 21 | 18 |
| EUT10 | ユニオンティー | ミリサイズ | 10mm | 10mm | 24.7 | 49.3 | 24.7 | 33.4 | 19 | 19 | 10.8 | 22.0 | 17.5 | 17.5 | 17.5 | 9 | 32.5 | 22 |
| EUT10-12 | ユニオンティー | ミリサイズ | 10mm | 12mm | 25.6 | 51.1 | 26.3 | 35.1 | 19 | 20 | 10.8 | 24.0 | 17.5 | 20 | 20 | 9 | 27 | 26 |
| EUT12 | ユニオンティー | ミリサイズ | 12mm | 12mm | 26.3 | 52.6 | 26.3 | 36.3 | 20 | 20 | 12.1 | 24.0 | 20.0 | 20 | 20 | 11 | 45.5 | 29 |
| EUT16 | ユニオンティー | ミリサイズ | 16mm | 16mm | 34.9 | 69.8 | 34.9 | 48.7 | 27 | 27 | 15.9 | 31.7 | 28.0 | 28 | 27.5 | 13 | 97 | 73 |
| 型式 | 商品コード | 単位 |
価格 (円) |
基準納期 | |
|---|---|---|---|---|---|
| 日伝 | メーカー | ||||
| EUT4 | EUT4 | P | 511 | 在庫品 | 在庫品 |
| EUT4-6 | EUT4-6 | P | 583 | 在庫品 | 在庫品 |
| EUT6 | EUT6 | P | 542 | 在庫品 | 在庫品 |
| EUT6-8 | EUT6-8 | P | 643 | 在庫品 | 在庫品 |
| EUT8 | EUT8 | P | 627 | 在庫品 | 在庫品 |
| EUT8-10 | EUT8-10 | P | 737 | 在庫品 | 在庫品 |
| EUT10 | EUT10 | P | 711 | 在庫品 | 在庫品 |
| EUT10-12 | EUT10-12 | P | 874 | 在庫品 | 在庫品 |
| EUT12 | EUT12 | P | 877 | 在庫品 | 在庫品 |
| EUT16 | EUT16 | P | 1,210 | 在庫品 | 在庫品 |
製品についてのご質問やお困りごとなどお気軽にご相談ください!