共通仕様
| シリーズ | プッシュワンEシリーズ |
|---|---|
| 使用流体 | 空気、水 |
| 使用温度範囲:空気 | -20℃~+80℃ |
| 使用温度範囲:水 | 0℃~+40℃ |
| 最高使用圧力 | 1.0MPa |
| 負圧性能 | -99.975kPa |
ニッタ
| シリーズ | プッシュワンEシリーズ |
|---|---|
| 使用流体 | 空気、水 |
| 使用温度範囲:空気 | -20℃~+80℃ |
| 使用温度範囲:水 | 0℃~+40℃ |
| 最高使用圧力 | 1.0MPa |
| 負圧性能 | -99.975kPa |
13件の型式
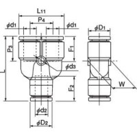
| 型式 | 形状 | タイプ | 適用チューブ外径 |
L (mm) |
L11 (mm) |
チューブ挿入長さ(mm) |
P3 (mm) |
P4 (mm) |
W (mm) |
D1 (mm) |
D2 (mm) |
d3 (mm) |
最小内径 (mm) |
有効断面積 (mm2) |
質量 (g) |
||
|---|---|---|---|---|---|---|---|---|---|---|---|---|---|---|---|---|---|
| d1 | d2 | F1 | F2 | ||||||||||||||
| EYB4-4 | Yユニオン | ミリサイズ | 4mm | 4mm | 33.8 | 20.8 | 13 | 13 | 13.5 | 11.0 | 9.8 | 9.8 | 9.8 | 3.2 | 3 | 3 | 6 |
| EYB4-6 | Yユニオン | ミリサイズ | 4mm | 6mm | 34.2 | 20.8 | 13 | 15 | 13.5 | 11.0 | 12.5 | 9.8 | 12.6 | 3.2 | 3 | 2.5 | 8 |
| EYB6-6 | Yユニオン | ミリサイズ | 6mm | 6mm | 37.5 | 24.8 | 15 | 15 | 14.7 | 12.2 | 12.5 | 12.6 | 12.6 | 4.2 | 5 | 8 | 10 |
| EYB6-8 | Yユニオン | ミリサイズ | 6mm | 8mm | 39.2 | 24.8 | 15 | 16 | 14.7 | 12.2 | 14.5 | 12.5 | 14.6 | 4.2 | 5 | 17 | 12 |
| EYB8-8 | Yユニオン | ミリサイズ | 8mm | 8mm | 42.9 | 28.8 | 16 | 16 | 16.4 | 14.2 | 14.6 | 14.6 | 14.6 | 4.2 | 7 | 18 | 14 |
| EYB8-10 | Yユニオン | ミリサイズ | 8mm | 10mm | 44.8 | 28.8 | 16 | 19 | 16.4 | 14.2 | 17.5 | 14.6 | 17.5 | 4.2 | 7 | 22.5 | 19 |
| EYB10-10 | Yユニオン | ミリサイズ | 10mm | 10mm | 48.3 | 35.0 | 19 | 19 | 18.4 | 17.5 | 17.5 | 17.5 | 17.5 | 4.2 | 9 | 27 | 24 |
| EYB10-12 | Yユニオン | ミリサイズ | 10mm | 12mm | 49.4 | 35.0 | 19 | 20 | 18.4 | 17.5 | 20.0 | 17.5 | 20.0 | 4.2 | 9 | 30 | 29 |
| EYB12-12 | Yユニオン | ミリサイズ | 12mm | 12mm | 54.0 | 40.0 | 20 | 20 | 20.3 | 20.0 | 20.0 | 20.0 | 20.0 | 4.2 | 11 | 38.5 | 33 |
| EYB1/4 | Yユニオン | インチサイズ | 1/4" | 1/4" | 36.7 | 24.7 | 15 | 15 | 14.4 | 12.2 | 12.5 | 13.0 | 13.0 | 4.2 | 5 | 10.5 | 10 |
| 型式 | 商品コード | 単位 |
価格 (円) |
基準納期 | |
|---|---|---|---|---|---|
| 日伝 | メーカー | ||||
| EYB4-4 | EYB4-4 | P | 484 | 在庫品 | 在庫品 |
| EYB4-6 | EYB4-6 | P | 550 | 在庫品 | 在庫品 |
| EYB6-6 | EYB6-6 | P | 511 | 在庫品 | 在庫品 |
| EYB6-8 | EYB6-8 | P | 577 | 在庫品 | 在庫品 |
| EYB8-8 | EYB8-8 | P | 533 | 在庫品 | 在庫品 |
| EYB8-10 | EYB8-10 | P | 632 | 在庫品 | 在庫品 |
| EYB10-10 | EYB10-10 | P | 610 | 在庫品 | 在庫品 |
| EYB10-12 | EYB10-12 | P | 770 | 在庫品 | 在庫品 |
| EYB12-12 | EYB12-12 | P | 792 | 在庫品 | 在庫品 |
| EYB1/4 | EYB1/4 | P | 511 | - | 在庫品 |
製品についてのご質問やお困りごとなどお気軽にご相談ください!