共通仕様
| シリーズ | プッシュワンEシリーズ |
|---|---|
| 使用流体 | 空気、水 |
| 使用温度範囲:空気 | -20℃~+80℃ |
| 使用温度範囲:水 | 0℃~+40℃ |
| 最高使用圧力 | 1.0MPa |
| 負圧性能 | -99.975kPa |
ニッタ
| シリーズ | プッシュワンEシリーズ |
|---|---|
| 使用流体 | 空気、水 |
| 使用温度範囲:空気 | -20℃~+80℃ |
| 使用温度範囲:水 | 0℃~+40℃ |
| 最高使用圧力 | 1.0MPa |
| 負圧性能 | -99.975kPa |
9件の型式
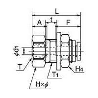
| 型式 | 形状 | タイプ |
適用 チューブ外径 |
ねじサイズ T |
L (mm) |
A (mm) |
チューブ挿入長さ F (mm) |
二面幅 H×φ (mm) |
H4 (mm) |
最大パネル厚 t (mm) |
推奨パネル穴径 T1 (mm) |
d1 (mm) |
ワッシャー(mm) |
最小内径 (mm) |
有効断面積 (mm2) |
質量 (g) |
|
|---|---|---|---|---|---|---|---|---|---|---|---|---|---|---|---|---|---|
| 外径 | 厚み | ||||||||||||||||
| EPFC4-PT1/8 | メスパネルタッチコネクタ | ミリサイズ | 4mm | Rc1/8 | 27.9 | 8.7 | 13 | 17.0×18.5 | 17.0 | 8.0 | 13 | 3.0 | 20 | 2 | 3 | 4 | 22 |
| EPFC6-PT1/8 | メスパネルタッチコネクタ | ミリサイズ | 6mm | Rc1/8 | 29.8 | 8.7 | 15 | 19.0×21.0 | 19.0 | 9.0 | 15 | 5.0 | 24 | 2.5 | 5 | 10.5 | 44 |
| EPFC6-PT1/4 | メスパネルタッチコネクタ | ミリサイズ | 6mm | Rc1/4 | 35.3 | 13.0 | 15 | 19.0×21.0 | 19.0 | 9.0 | 15 | 5.0 | 24 | 2.5 | 5 | 10.5 | 50 |
| EPFC8-PT1/4 | メスパネルタッチコネクタ | ミリサイズ | 8mm | Rc1/4 | 34.4 | 13.0 | 16 | 22.0×24.5 | 22.0 | 10.5 | 17 | 7.0 | 28 | 2.5 | 7 | 25 | 64 |
| EPFC8-PT3/8 | メスパネルタッチコネクタ | ミリサイズ | 8mm | Rc3/8 | 38.4 | 13.5 | 16 | 22.0×24.5 | 22.0 | 10.5 | 17 | 7.0 | 28 | 2.5 | 7 | 26 | 68 |
| EPFC10-PT1/4 | メスパネルタッチコネクタ | ミリサイズ | 10mm | Rc1/4 | 40.4 | 13.0 | 19 | 27.0×30.0 | 27.0 | 14.0 | 21 | 9.0 | 34 | 3 | 9 | 40 | 117 |
| EPFC10-PT3/8 | メスパネルタッチコネクタ | ミリサイズ | 10mm | Rc3/8 | 40.4 | 13.5 | 19 | 27.0×30.0 | 27.0 | 14.0 | 21 | 9.0 | 34 | 3 | 9 | 40 | 107 |
| EPFC12-PT1/4 | メスパネルタッチコネクタ | ミリサイズ | 12mm | Rc1/4 | 42.3 | 13.0 | 20 | 30.0×33.5 | 30.0 | 16.0 | 23 | 10.5 | 37 | 3 | 10.5 | 45 | 147 |
| EPFC12-PT3/8 | メスパネルタッチコネクタ | ミリサイズ | 12mm | Rc3/8 | 42.3 | 13.5 | 20 | 30.0×33.5 | 30.0 | 16.0 | 23 | 11.0 | 37 | 3 | 11 | 50 | 138 |
| 型式 | 商品コード | 単位 |
価格 (円) |
基準納期 | |
|---|---|---|---|---|---|
| 日伝 | メーカー | ||||
| EPFC4-PT1/8 | EPFC4-PT1/8 | P | 489 | 在庫品 | 在庫品 |
| EPFC6-PT1/8 | EPFC6-PT1/8 | P | 544 | 在庫品 | 在庫品 |
| EPFC6-PT1/4 | EPFC6-PT1/4 | P | 550 | 在庫品 | 在庫品 |
| EPFC8-PT1/4 | EPFC8-PT1/4 | P | 643 | 在庫品 | 在庫品 |
| EPFC8-PT3/8 | EPFC8-PT3/8 | P | 665 | 在庫品 | 在庫品 |
| EPFC10-PT1/4 | EPFC10-PT1/4 | P | 836 | 在庫品 | 在庫品 |
| EPFC10-PT3/8 | EPFC10-PT3/8 | P | 847 | 在庫品 | 在庫品 |
| EPFC12-PT1/4 | EPFC12-PT1/4 | P | 984 | 在庫品 | 在庫品 |
| EPFC12-PT3/8 | EPFC12-PT3/8 | P | 1,001 | 在庫品 | 在庫品 |
製品についてのご質問やお困りごとなどお気軽にご相談ください!