・新円弧歯形で高精度・高負荷・低騒音を実現。
・インボリュートかみ合いを採用した新円弧歯形の歯付ベルト。
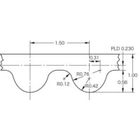
・インボリュート運動によって創生されるプーリ歯形状とベルト歯形状を極限まで近似させ、優れた伝達性能と極小のバックラッシを実現。
共通仕様
| ベルトピッチ | 1.5mm |
|---|---|
| PLD | 0.230mm |
ゲイツ・ユニッタ・アジア
・新円弧歯形で高精度・高負荷・低騒音を実現。
・インボリュートかみ合いを採用した新円弧歯形の歯付ベルト。
・インボリュート運動によって創生されるプーリ歯形状とベルト歯形状を極限まで近似させ、優れた伝達性能と極小のバックラッシを実現。
| ベルトピッチ | 1.5mm |
|---|---|
| PLD | 0.230mm |
573件の型式
| 型式 | 歯形 | タイプ | 歯数 |
ベルト ピッチ周長 (mm) |
ベルト幅 (mm) |
|---|---|---|---|---|---|
| 40.5-1.5GT-1.5 | 1.5GT | 標準 | 27 | 40.50 | 1.5 |
| 45-1.5GT-1.5 | 1.5GT | 標準 | 30 | 45.00 | 1.5 |
| 48-1.5GT-1.5 | 1.5GT | 標準 | 32 | 48.00 | 1.5 |
| 51-1.5GT-1.5 | 1.5GT | 標準 | 34 | 51.00 | 1.5 |
| 61.5-1.5GT-1.5 | 1.5GT | 標準 | 41 | 61.50 | 1.5 |
| 69-1.5GT-1.5 | 1.5GT | 標準 | 46 | 69.00 | 1.5 |
| 70.5-1.5GT-1.5 | 1.5GT | 標準 | 47 | 70.50 | 1.5 |
| 72-1.5GT-1.5 | 1.5GT | 標準 | 48 | 72.00 | 1.5 |
| 73.5-1.5GT-1.5 | 1.5GT | 標準 | 49 | 73.50 | 1.5 |
| 76.5-1.5GT-1.5 | 1.5GT | 標準 | 51 | 76.50 | 1.5 |
| 型式 | 商品コード | 単位 |
価格 (円) |
基準納期 | |
|---|---|---|---|---|---|
| 日伝 | メーカー | ||||
| 40.5-1.5GT-1.5 | 40.5-1.5GT-1.5 | P | 290 | - | 在庫品 |
| 45-1.5GT-1.5 | 45-1.5GT-1.5 | P | 290 | - | 在庫品 |
| 48-1.5GT-1.5 | 48-1.5GT-1.5 | P | 290 | - | 在庫品 |
| 51-1.5GT-1.5 | 51-1.5GT-1.5 | P | 290 | - | 在庫品 |
| 61.5-1.5GT-1.5 | 61.5-1.5GT-1.5 | P | 290 | - | 在庫品 |
| 69-1.5GT-1.5 | 69-1.5GT-1.5 | P | 290 | - | 在庫品 |
| 70.5-1.5GT-1.5 | 70.5-1.5GT-1.5 | P | 290 | - | 在庫品 |
| 72-1.5GT-1.5 | 72-1.5GT-1.5 | P | 290 | - | 在庫品 |
| 73.5-1.5GT-1.5 | 73.5-1.5GT-1.5 | P | 290 | - | 在庫品 |
| 76.5-1.5GT-1.5 | 76.5-1.5GT-1.5 | P | 290 | - | 在庫品 |
製品についてのご質問やお困りごとなどお気軽にご相談ください!