共通仕様
| 材質 | 二トリルゴム:NBR-70-1 (旧1種A) ふっ素ゴム:FKN-70 (旧4種D) |
|---|---|
| 規格 | JIS B 2401 |
| 硬さ | Hs70 |
日近
52件の型式
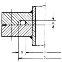
| 型式 | 材質 |
太さ W |
内径 d |
フランジ溝部寸法(JISB2290) | ||||||
|---|---|---|---|---|---|---|---|---|---|---|
| (mm) | 公差 | (mm) | 公差 | 呼び径 | G1 (mm) | G2 (mm) | G (mm) | H (mm) | ||
| V15 | ニトリルゴム | 4.0 | ±0.1 | 14.5 | ±0.20 | - | 15 | 25 | 5.0 | 3.0 |
| V24 | ニトリルゴム | 4.0 | ±0.1 | 23.5 | ±0.24 | 12 | 24 | 34 | 5.0 | 3.0 |
| V34 | ニトリルゴム | 4.0 | ±0.1 | 33.5 | ±0.33 | 20 | 34 | 44 | 5.0 | 3.0 |
| V40 | ニトリルゴム | 4.0 | ±0.1 | 39.5 | ±0.37 | 25 | 40 | 50 | 5.0 | 3.0 |
| V55 | ニトリルゴム | 4.0 | ±0.1 | 54.5 | ±0.49 | 40 | 55 | 65 | 5.0 | 3.0 |
| V70 | ニトリルゴム | 4.0 | ±0.1 | 69.0 | ±0.61 | 50 | 70 | 80 | 5.0 | 3.0 |
| V85 | ニトリルゴム | 4.0 | ±0.1 | 84.0 | ±0.72 | 70 | 85 | 95 | 5.0 | 3.0 |
| V100 | ニトリルゴム | 4.0 | ±0.1 | 99.0 | ±0.83 | 80 | 100 | 110 | 5.0 | 3.0 |
| V120 | ニトリルゴム | 4.0 | ±0.1 | 119.0 | ±0.97 | 100 | 120 | 130 | 5.0 | 3.0 |
| V150 | ニトリルゴム | 4.0 | ±0.1 | 148.5 | ±1.18 | 130 | 150 | 160 | 5.0 | 3.0 |
| 型式 | 商品コード | 単位 |
価格 (円) |
基準納期 | |
|---|---|---|---|---|---|
| 日伝 | メーカー | ||||
| V15 | V15 | P | 60 | - | 在庫品 |
| V24 | V24 | P | 60 | - | 在庫品 |
| V34 | V34 | P | 110 | - | 在庫品 |
| V40 | V40 | P | 110 | - | 在庫品 |
| V55 | V55 | P | 140 | - | 在庫品 |
| V70 | V70 | P | 180 | - | 在庫品 |
| V85 | V85 | P | 220 | - | 在庫品 |
| V100 | V100 | P | 250 | - | 在庫品 |
| V120 | V120 | P | 380 | - | 在庫品 |
| V150 | V150 | P | 500 | - | 在庫品 |
製品についてのご質問やお困りごとなどお気軽にご相談ください!