2500シリーズ
-
2500シリーズ
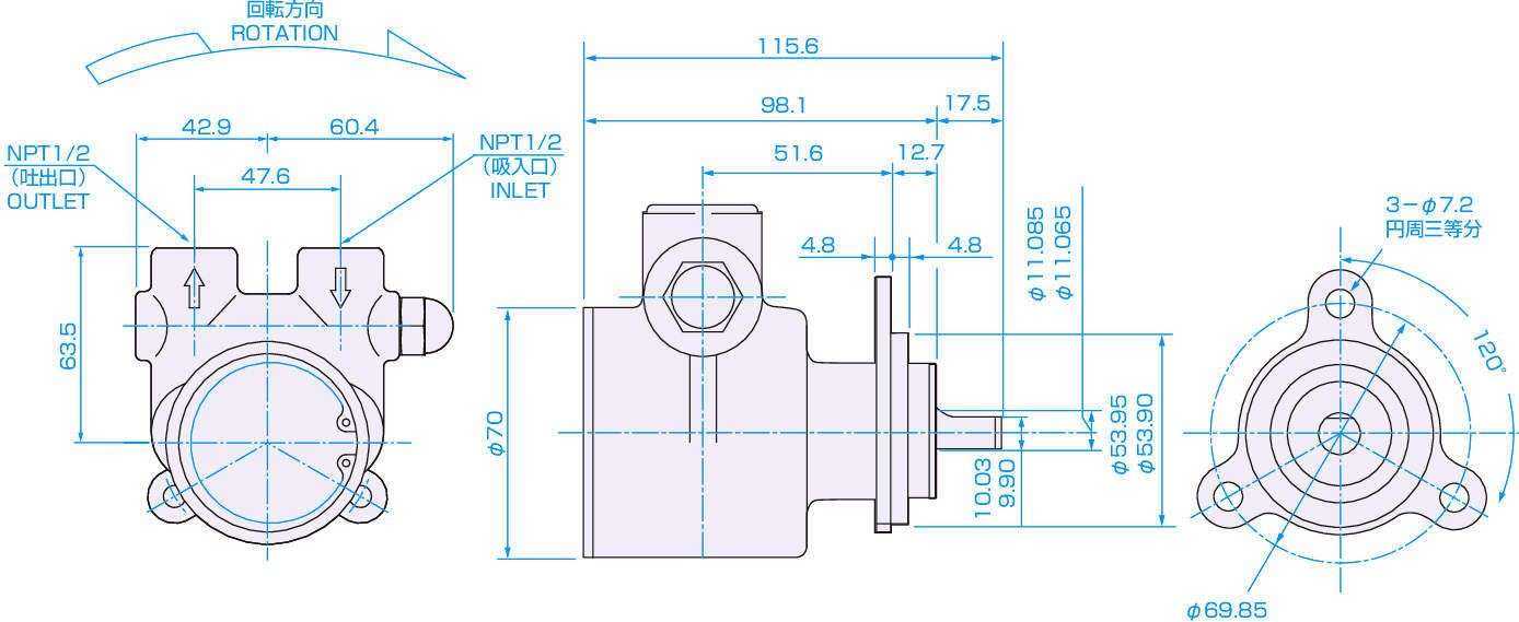
■プロコンポンプ
・回転するベーン(羽根)によって水を移送する自吸式のポンプです。
■特殊な構造と内部素材を採用することで、金属同士の接触がなく、始動時の低トルク化が実現しました。
■呼び水の必要が無い自吸式ポンプです(3600 シリーズを除く)。
■運転音が静かで、振動と脈動が小さいポンプです。
■圧力の変動にかかわらず、流量をほぼ一定に保ちます。
・長期保管後に使用する場合はポンプ吸入側ポートより水を注入してから運転してください。
■中容量水ポンプ
・6.4~15.5L/min
■ポンプ本体材質:黄銅鍛造
・ハウジングは黄銅(真鍮)タイプです。
・飲食の用途にはご使用できません。
■理化学機器などの水流をコントロール
・高圧で吐出することが可能で、ベーンなどの摺動部には摩擦の少ないカーボングラファイトを採用することで、金属間の接触をなくし、高い静音性と耐久性を実現しました。
■用途
・理化学機器、洗浄機器、農業機器、一般産業機器など

