・直行型ロボット、単軸アクチュエーターなど、搬送用送り駆動のボールねじ機能を追求したCt10級精度のシリーズです。
・軸端未加工品です。
・ねじ軸とナットは別売りとし、互換性を持たせてあります。
日本精工
標準ボールねじ(軸端未加工品)|搬送用ボールねじ Rシリーズ(チューブ式片フランジナット) RNFTL
詳細仕様
27件の型式
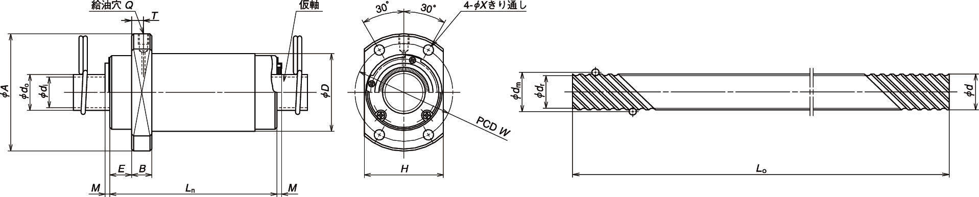
| 型式 | タイプ |
ねじ軸外径 d (mm) |
リード l (mm) |
ボール径 Dw (mm) |
ボールピッチ円径 dm (mm) |
ねじ軸谷径 (mm) |
シール | 有効巻数 | 基本定格荷重(N) |
軸方向 すきま (最大) |
寸法(mm) |
質量 (kg) |
|||||||||||||
|---|---|---|---|---|---|---|---|---|---|---|---|---|---|---|---|---|---|---|---|---|---|---|---|---|---|
| 巻数 | サーキット数 | 動定格 Ca | 静定格 C0a | D | A | G | B | Ln | W | X | Q | T | U | V | R | ||||||||||
| RNFTL1003A3.5 | 小・中リード | 10 | 3 | 2.381 | 10.65 | 8.1 | シール無なし | 3.5 | 1 | 3780 | 6730 | 0.10 | 20 | 40 | 15 | 6 | 34 | 30 | 4.5 | M3×0.5 | 3.0 | 15 | 15 | 7 | 0.092 |
| RNFTL1006A2.5S | 小・中リード | 10 | 6 | 2.381 | 10.65 | 8.1 | シール付き | 2.5 | 1 | 2830 | 4810 | 0.10 | 20 | 40 | 15 | 6 | 36 | 30 | 4.5 | M3×0.5 | 3.5 | 15 | 15 | 5 | 0.095 |
| RNFTL1208A2.5S | 小・中リード | 12 | 8 | 2.778 | 12.65 | 9.6 | シール付き | 2.5 | 1 | 3730 | 6560 | 0.10 | 25 | 45 | 19 | 8 | 46 | 35 | 4.5 | M3×0.5 | 5.5 | 19 | 18 | 7 | 0.18 |
| RNFTL1404A3.5S | 小・中リード | 14 | 4 | 2.778 | 14.5 | 11.5 | シール付き | 3.5 | 1 | 5370 | 10800 | 0.10 | 25 | 50 | 19 | 10 | 43 | 40 | 4.5 | M6×1 | 5.0 | 19 | 20 | 7 | 0.20 |
| RNFTL1405A2.5S | 小・中リード | 14 | 5 | 3.175 | 14.5 | 11.0 | シール付き | 2.5 | 1 | 5260 | 9720 | 0.10 | 30 | 50 | 22 | 10 | 45 | 40 | 4.5 | M6×1 | 5.0 | 22 | 21 | 8 | 0.26 |
| RNFTL1610A2.5S | 小・中リード | 16 | 10 | 3.175 | 16.75 | 13.3 | シール付き | 2.5 | 1 | 5660 | 11500 | 0.10 | 30 | 53 | 23 | 10 | 54 | 41 | 5.5 | M6×1 | 5.5 | 23 | 22.5 | 8 | 0.28 |
| RNFTL1808A3.5S | 小・中リード | 18 | 8 | 4.762 | 18.5 | 13.6 | シール付き | 3.5 | 1 | 13200 | 25800 | 0.15 | 34 | 63 | 27 | 12 | 58 | 49 | 6.6 | M6×1 | 6.0 | 27 | 27 | 8 | 0.43 |
| RNFTL2005A2.5S | 小・中リード | 20 | 5 | 3.175 | 20.5 | 17.0 | シール付き | 2.5 | 1 | 6360 | 14200 | 0.10 | 40 | 60 | 28 | 10 | 46 | 50 | 4.5 | M6×1 | 5.0 | 28 | 27 | 10 | 0.42 |
| RNFTL2010A2.5S | 小・中リード | 20 | 10 | 4.762 | 21.25 | 16.2 | シール付き | 2.5 | 1 | 10900 | 21800 | 0.15 | 40 | 67 | 30 | 12 | 59 | 53 | 6.6 | M6×1 | 6.0 | 30 | 29 | 12 | 0.55 |
| RNFTL2505A5S | 小・中リード | 25 | 5 | 3.175 | 25.5 | 22.0 | シール付き | 5 | 2 | 12800 | 36300 | 0.10 | 42 | 71 | 28 | 12 | 66 | 57 | 6.6 | M6×1 | 6.0 | 28 | 31 | 10 | 0.62 |
| 型式 | 商品コード | 単位 |
価格 (円) |
基準納期 | |
|---|---|---|---|---|---|
| 日伝 | メーカー | ||||
| RNFTL1003A3.5 | RNFTL1003A3.5 | P | 12,400 | - | 在庫品 |
| RNFTL1006A2.5S | RNFTL1006A2.5S | P | 15,000 | - | 在庫品 |
| RNFTL1208A2.5S | RNFTL1208A2.5S | P | 17,800 | - | 在庫品 |
| RNFTL1404A3.5S | RNFTL1404A3.5S | P | 19,200 | - | 在庫品 |
| RNFTL1405A2.5S | RNFTL1405A2.5S | P | 19,300 | - | 在庫品 |
| RNFTL1610A2.5S | RNFTL1610A2.5S | P | 21,100 | - | 在庫品 |
| RNFTL1808A3.5S | RNFTL1808A3.5S | P | 21,900 | - | 在庫品 |
| RNFTL2005A2.5S | RNFTL2005A2.5S | P | 20,000 | - | 在庫品 |
| RNFTL2010A2.5S | RNFTL2010A2.5S | P | 23,800 | - | 在庫品 |
| RNFTL2505A5S | RNFTL2505A5S | P | 26,100 | - | 在庫品 |
関連製品
この製品を見た人はこのような製品も見ています
製品についてのご質問やお困りごとなどお気軽にご相談ください!
Loading...

