日本精工
単列円筒ころ軸受
詳細仕様
862件の型式
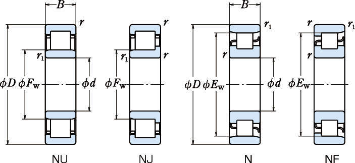
| 型式 | タイプ | 呼び番号 |
内径 d (mm) |
外径 D (mm) |
幅 B (mm) |
r (mm) 最小 |
r1 (mm) 最小 |
FW (mm) |
EW (mm) |
基本定格荷重 Cr (N) |
基本定格荷重 C0r (N) |
熱定格回転数 (min-1) 油浴 |
機械的限界回転数 (-1) 強制給油 |
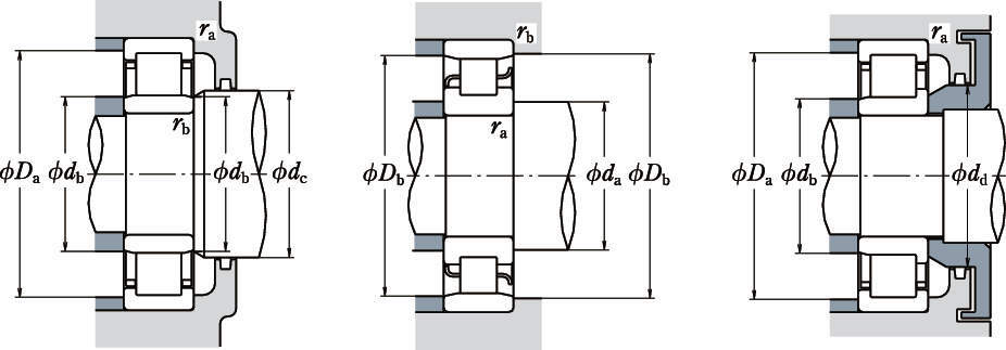
許容回転数(-1) | 取付関係寸法(mm) |
質量 (kg) 参考 |
内部 すきま 記号 |
備考 | ||||||||||
|---|---|---|---|---|---|---|---|---|---|---|---|---|---|---|---|---|---|---|---|---|---|---|---|---|---|---|---|---|
| グリース潤滑 | 油潤滑 | da最小 | db最小 | db最大 | dc最小 | dd最小 | Da最大 | Db最大 | Db最小 | ra最大 | rbb最大 | |||||||||||||||||
| N204W | N | N204 | 20 | 47 | 14 | 1 | 0.6 | - | 40 | 19000 | 12700 | 18000 | - | 12000 | 14000 | 25 | - | - | - | - | - | 43 | 42 | 1 | 0.6 | 0.107 | CN | プレス保持器 |
| NF204W | NF | NF204 | 20 | 47 | 14 | 1 | 0.6 | - | 40 | 19000 | 12700 | 18000 | - | 12000 | 14000 | 25 | - | - | - | - | - | 43 | 42 | 1 | 0.6 | 0.107 | CN | プレス保持器 |
| NJ204W | NJ | NJ204 | 20 | 47 | 14 | 1 | 0.6 | - | - | - | - | - | - | - | - | - | - | - | - | - | - | - | - | - | - | - | CN | プレス保持器 |
| NU204W | NU | NU204 | 20 | 47 | 14 | 1 | 0.6 | - | - | - | - | - | - | - | - | - | - | - | - | - | - | - | - | - | - | - | CN | プレス保持器 |
| NU204WC3 | NU | NU204 | 20 | 47 | 14 | 1 | 0.6 | - | - | - | - | - | - | - | - | - | - | - | - | - | - | - | - | - | - | - | C3 | プレス保持器 |
| NU2204W | NU | NU2204 | 20 | 47 | 18 | 1 | 0.6 | 27 | - | 25400 | 18400 | 19000 | - | 11000 | 13000 | 25 | 24 | 25 | 29 | 32 | 42 | - | - | 1 | 0.6 | 0.144 | CN | プレス保持器 |
| N304W | N | N304 | 20 | 52 | 15 | 1.1 | 0.6 | - | 44.5 | 26300 | 17300 | 14000 | - | 10000 | 12000 | 26.5 | - | - | - | - | - | 48 | 46 | 1 | 0.6 | 0.148 | CN | プレス保持器 |
| NF304W | NF | NF304 | 20 | 52 | 15 | 1.1 | 0.6 | - | 44.5 | 26300 | 17300 | 14000 | - | 10000 | 12000 | 26.5 | - | - | - | - | - | 48 | 46 | 1 | 0.6 | 0.148 | CN | プレス保持器 |
| NJ304W | NJ | NJ304 | 20 | 52 | 15 | 1.1 | 0.6 | - | - | - | - | - | - | - | - | - | - | - | - | - | - | - | - | - | - | - | CN | プレス保持器 |
| NJ304WC3 | NJ | NJ304 | 20 | 52 | 15 | 1.1 | 0.6 | - | - | - | - | - | - | - | - | - | - | - | - | - | - | - | - | - | - | - | C3 | プレス保持器 |
| 型式 | 商品コード | 単位 |
価格 (円) |
基準納期 | |
|---|---|---|---|---|---|
| 日伝 | メーカー | ||||
| N204W | N204W | P | 4,750 | 在庫品 | 在庫品 |
| NF204W | NF204W | P | 4,760 | 在庫品 | 在庫品 |
| NJ204W | NJ204W | P | 4,710 | 在庫品 | 在庫品 |
| NU204W | NU204W | P | 4,470 | 在庫品 | 在庫品 |
| NU204WC3 | NU204WC3 | P | 4,470 | - | 在庫品 |
| NU2204W | NU2204W | P | 7,560 | - | 在庫品 |
| N304W | N304W | P | 5,090 | - | 在庫品 |
| NF304W | NF304W | P | 4,170 | - | 在庫品 |
| NJ304W | NJ304W | P | 4,860 | - | 在庫品 |
| NJ304WC3 | NJ304WC3 | P | 4,860 | - | 在庫品 |
この製品を見た人はこのような製品も見ています
製品についてのご質問やお困りごとなどお気軽にご相談ください!
Loading...

