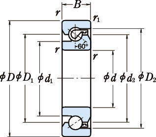
・工作機械ボールねじサポート用スラストアンギュラ玉軸受。
・精密ねじサポート用高精度スラストアンギュラ玉軸受は、従来のアンギュラ玉軸受の組合せ軸受、あるいはスラスト軸受を併用、配列した軸受構造に比べ、優れた特性を持っています。
・ボール数を多くし、接触角を60°にしたことによりアキシアル剛性が大きく、円すいころ軸受や円筒ころ軸受に比べ起動トルクが小さいため、小さな駆動力で精度のよい回転が得られます。
共通仕様
| 接触角 | 60° |
|---|
日本精工
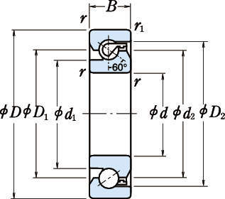
・工作機械ボールねじサポート用スラストアンギュラ玉軸受。
・精密ねじサポート用高精度スラストアンギュラ玉軸受は、従来のアンギュラ玉軸受の組合せ軸受、あるいはスラスト軸受を併用、配列した軸受構造に比べ、優れた特性を持っています。
・ボール数を多くし、接触角を60°にしたことによりアキシアル剛性が大きく、円すいころ軸受や円筒ころ軸受に比べ起動トルクが小さいため、小さな駆動力で精度のよい回転が得られます。
| 接触角 | 60° |
|---|
14件の型式
| 型式 |
内径 d (mm) |
外径 D (mm) |
幅 B (mm) |
r (mm) 最小 |
r1 (mm) 最小 |
d1 (mm) |
d2 (mm) |
D1 (mm) |
D2 (mm) |
許容回転数(min-1) | 基本定格荷重Ca(kN) | 限界アキシアル荷重(kN) |
質量 (kg) 参考 |
|||||
|---|---|---|---|---|---|---|---|---|---|---|---|---|---|---|---|---|---|---|
| グリース潤滑 | 油潤滑 | 1列 | 2列 | 3列 | 1列 | 2列 | 3列 | |||||||||||
| 15TAC47SU | 15 | 47 | 15 | 1 | 0.6 | 27.2 | 34 | 34 | 39.6 | 6000 | 8000 | 23.0 | 37.5 | 49.5 | 26.6 | 53.0 | 79.5 | 0.144 |
| 17TAC47SU | 17 | 47 | 15 | 1 | 0.6 | 27.2 | 34 | 34 | 39.6 | 6000 | 8000 | 23.0 | 37.5 | 49.5 | 26.6 | 53.0 | 79.5 | 0.144 |
| 20TAC47SU | 20 | 47 | 15 | 1 | 0.6 | 27.2 | 34 | 34 | 39.6 | 6000 | 8000 | 23.0 | 37.5 | 49.5 | 26.6 | 53.0 | 79.5 | 0.135 |
| 25TAC62SU | 25 | 62 | 15 | 1 | 0.6 | 37 | 45 | 45 | 50.7 | 4500 | 6000 | 29.9 | 48.5 | 64.5 | 40.5 | 81.5 | 122 | 0.252 |
| 30TAC62SU | 30 | 62 | 15 | 1 | 0.6 | 39.5 | 47 | 47 | 53.2 | 4300 | 5600 | 30.5 | 50.0 | 66.0 | 43.0 | 86.0 | 129 | 0.224 |
| 35TAC72SU | 35 | 72 | 15 | 1 | 0.6 | 47 | 55 | 55 | 60.7 | 3600 | 5000 | 32.5 | 53.0 | 70.5 | 50.0 | 100 | 150 | 0.31 |
| 40TAC72SU | 40 | 72 | 15 | 1 | 0.6 | 49 | 57 | 57 | 62.7 | 3600 | 4800 | 33.5 | 54.0 | 72.0 | 52.0 | 104 | 157 | 0.275 |
| 40TAC90SU | 40 | 90 | 20 | 1 | 0.6 | 57 | 68 | 68 | 77.2 | 3000 | 4000 | 62.0 | 101 | 134 | 89.5 | 179 | 269 | 0.674 |
| 45TAC75SU | 45 | 75 | 15 | 1 | 0.6 | 54 | 62 | 62 | 67.7 | 3200 | 4300 | 34.5 | 56.0 | 74.5 | 57.0 | 114 | 170 | 0.27 |
| 45TAC100SU | 45 | 100 | 20 | 1 | 0.6 | 64 | 75 | 75 | 84.2 | 2600 | 3600 | 64.5 | 105 | 140 | 99.0 | 198 | 298 | 0.842 |
| 型式 | 商品コード | 単位 |
価格 (円) |
基準納期 | |
|---|---|---|---|---|---|
| 日伝 | メーカー | ||||
| 15TAC47SU | 15TAC47SU | P | 18,300 | - | 在庫品 |
| 17TAC47SU | 17TAC47SU | P | 18,300 | 在庫品 | 在庫品 |
| 20TAC47SU | 20TAC47SU | P | 19,300 | 在庫品 | 在庫品 |
| 25TAC62SU | 25TAC62SU | P | 22,200 | 在庫品 | 在庫品 |
| 30TAC62SU | 30TAC62SU | P | 22,200 | 在庫品 | 在庫品 |
| 35TAC72SU | 35TAC72SU | P | 26,000 | 在庫品 | 在庫品 |
| 40TAC72SU | 40TAC72SU | P | 27,600 | 在庫品 | 在庫品 |
| 40TAC90SU | 40TAC90SU | P | 33,400 | 在庫品 | 在庫品 |
| 45TAC75SU | 45TAC75SU | P | 31,900 | 在庫品 | 在庫品 |
| 45TAC100SU | 45TAC100SU | P | 40,900 | 在庫品 | 在庫品 |
製品についてのご質問やお困りごとなどお気軽にご相談ください!