・玉が転動する溝をもった座金状の軌道盤と玉を組み込んだ保持器とから構成されています。
・両方向のアキシアル荷重を負荷することができます。
日本精工
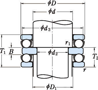
複式スラスト玉軸受
詳細仕様
39件の型式
| 型式 | 呼び番号 |
d2 (mm) |
d (mm) |
D (mm) |
T1 (mm) |
r (mm) 最小 |
r1 (mm) 最小 |
d3 (mm) |
D1 (mm) |
T2 (mm) |
B (mm) |
取付関係寸法(mm) | 基本定格荷重(N) | 許容回転数(min-1) |
質量 (kg) |
備考 | ||||
|---|---|---|---|---|---|---|---|---|---|---|---|---|---|---|---|---|---|---|---|---|
| Da 最大 | ra 最大 | rb 最大 | Ca | C0a | グリース潤滑 | 油潤滑 | ||||||||||||||
| 52202 | 52202 | 10 | 15 | 32 | 22 | 0.6 | 0.3 | 32 | 17 | 13.5 | 5 | 24 | 0.6 | 0.3 | 16700 | 24800 | 4800 | 7100 | 0.081 | - |
| 52204 | 52204 | 15 | 20 | 40 | 26 | 0.6 | 0.3 | 40 | 22 | 16 | 6 | 30 | 0.6 | 0.3 | 22500 | 37500 | 4000 | 6000 | 0.148 | - |
| 52205 | 52205 | 20 | 25 | 47 | 28 | 0.6 | 0.3 | 47 | 27 | 17.5 | 7 | 36 | 0.6 | 0.3 | 28000 | 50500 | 3400 | 5300 | 0.213 | - |
| 52305 | 52305 | 20 | 25 | 52 | 34 | 1 | 0.3 | 52 | 27 | 21 | 8 | 38 | 1 | 0.3 | 36000 | 61500 | 3000 | 4500 | 0.324 | - |
| 52206 | 52206 | 25 | 30 | 52 | 29 | 0.6 | 0.3 | 52 | 32 | 18 | 7 | 42 | 0.6 | 0.3 | 29500 | 58000 | 3200 | 5000 | 0.254 | - |
| 52306 | 52306 | 25 | 30 | 60 | 38 | 1 | 0.3 | 60 | 32 | 23.5 | 9 | 45 | 1 | 0.3 | 43000 | 78500 | 2600 | 4000 | 0.483 | - |
| 52207 | 52207 | 30 | 35 | 62 | 34 | 1 | 0.3 | 62 | 37 | 21 | 8 | 48 | 1 | 0.3 | 39500 | 78000 | 2800 | 4300 | 0.406 | - |
| 52307 | 52307 | 30 | 35 | 68 | 44 | 1 | 0.3 | 68 | 37 | 27 | 10 | 52 | 1 | 0.3 | 56000 | 105000 | 2400 | 3600 | 0.71 | - |
| 52208 | 52208 | 30 | 40 | 68 | 36 | 1 | 0.6 | 68 | 42 | 22.5 | 9 | 55 | 1 | 0.6 | 47500 | 98500 | 2600 | 3800 | 0.543 | - |
| 52308 | 52308 | 30 | 40 | 78 | 49 | 1 | 0.6 | 78 | 42 | 30.5 | 12 | 60 | 1 | 0.6 | 70000 | 135000 | 2000 | 3000 | 1.04 | - |
| 型式 | 商品コード | 単位 |
価格 (円) |
基準納期 | |
|---|---|---|---|---|---|
| 日伝 | メーカー | ||||
| 52202 | 52202 | P | 5,720 | 在庫品 | 在庫品 |
| 52204 | 52204 | P | 6,540 | 在庫品 | 在庫品 |
| 52205 | 52205 | P | 7,180 | 在庫品 | 在庫品 |
| 52305 | 52305 | P | 10,400 | - | 在庫品 |
| 52206 | 52206 | P | 7,820 | 在庫品 | 在庫品 |
| 52306 | 52306 | P | 12,600 | - | 在庫品 |
| 52207 | 52207 | P | 9,360 | 在庫品 | 在庫品 |
| 52307 | 52307 | P | 14,500 | - | 在庫品 |
| 52208 | 52208 | P | 10,900 | 在庫品 | 在庫品 |
| 52308 | 52308 | P | 19,100 | - | 在庫品 |
この製品を見た人はこのような製品も見ています
製品についてのご質問やお困りごとなどお気軽にご相談ください!
Loading...

