モノづくりの困ったを解決する総合サイト

Produced by

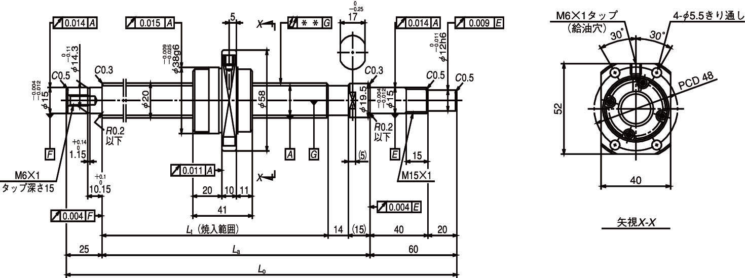
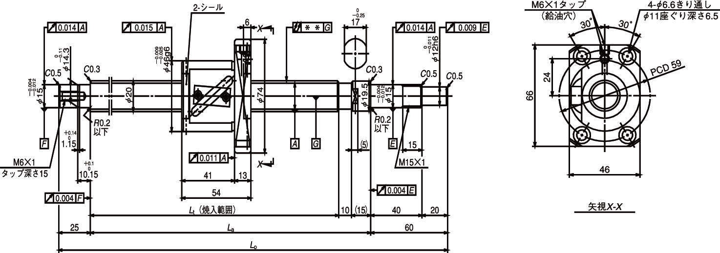
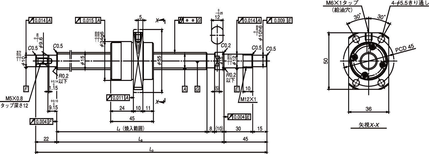
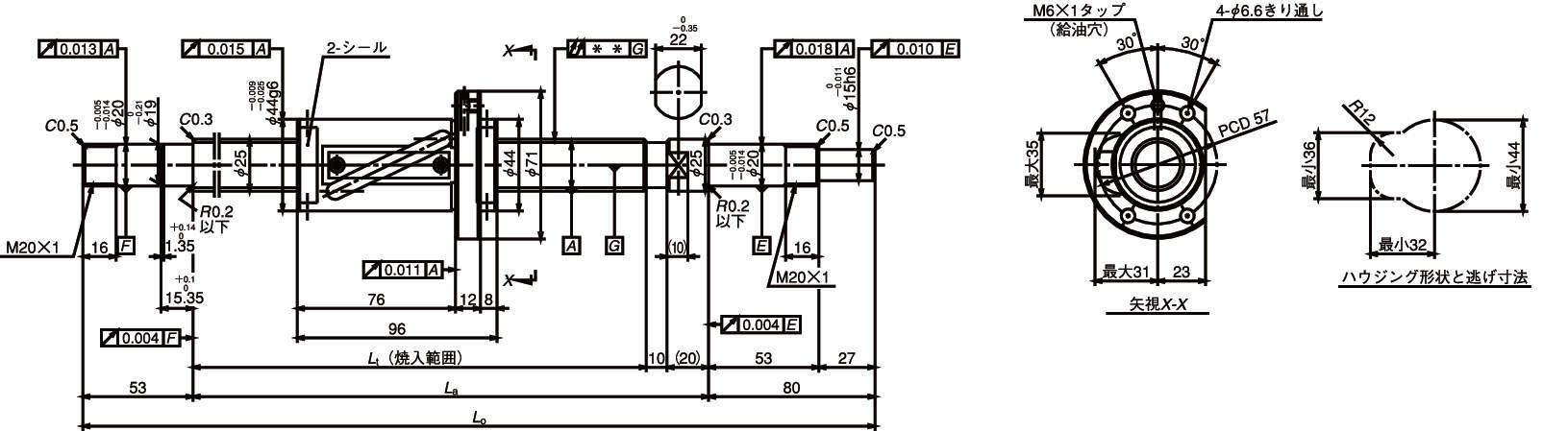
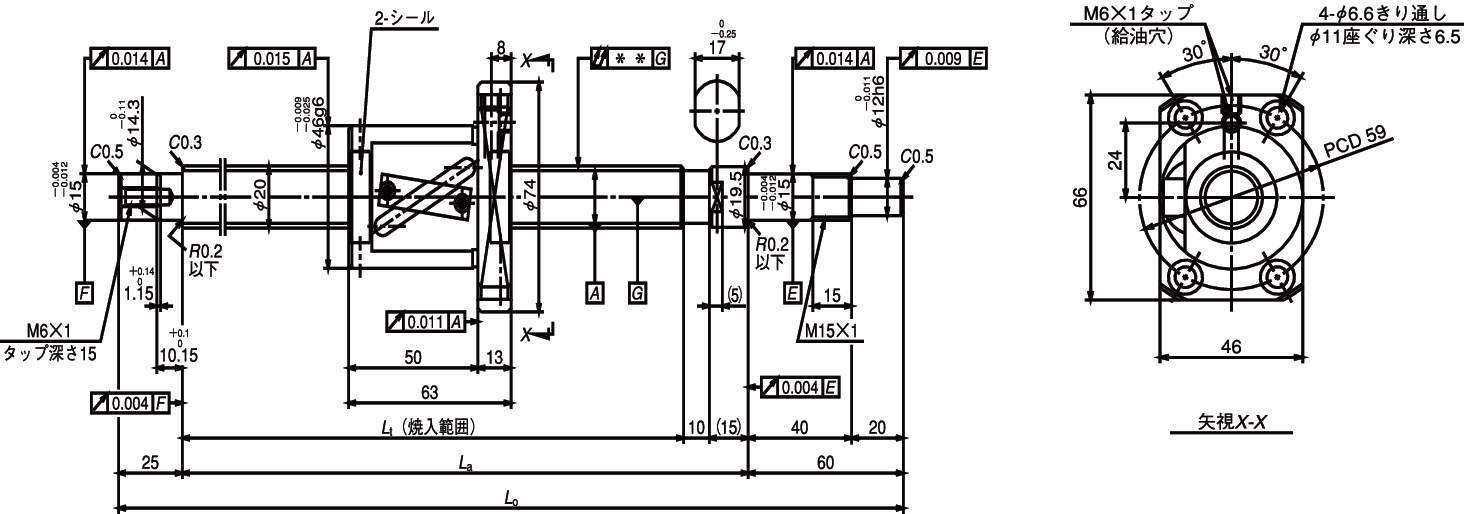
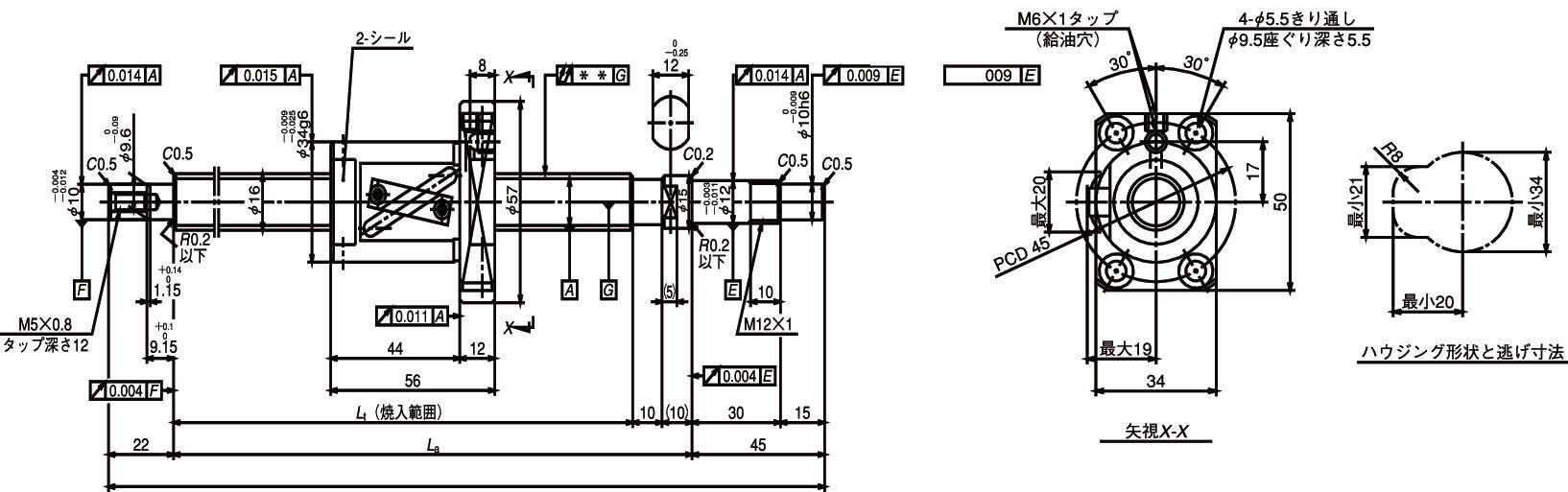
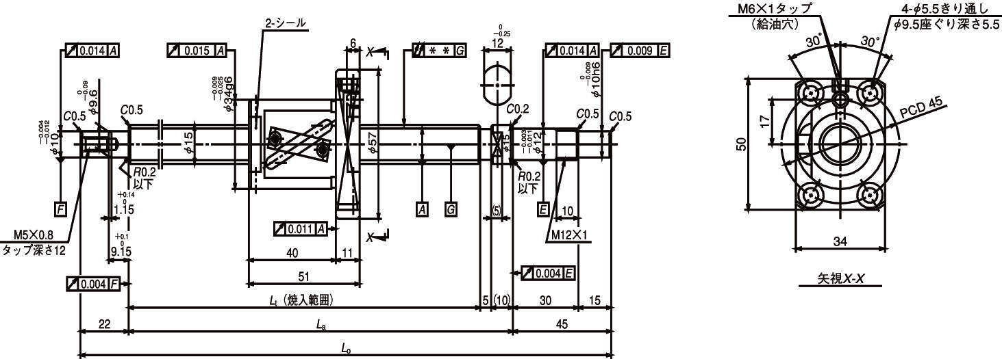
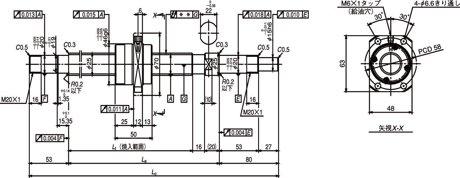
標準ボールねじ(軸端完成品)|小型機器用ボールねじ FA

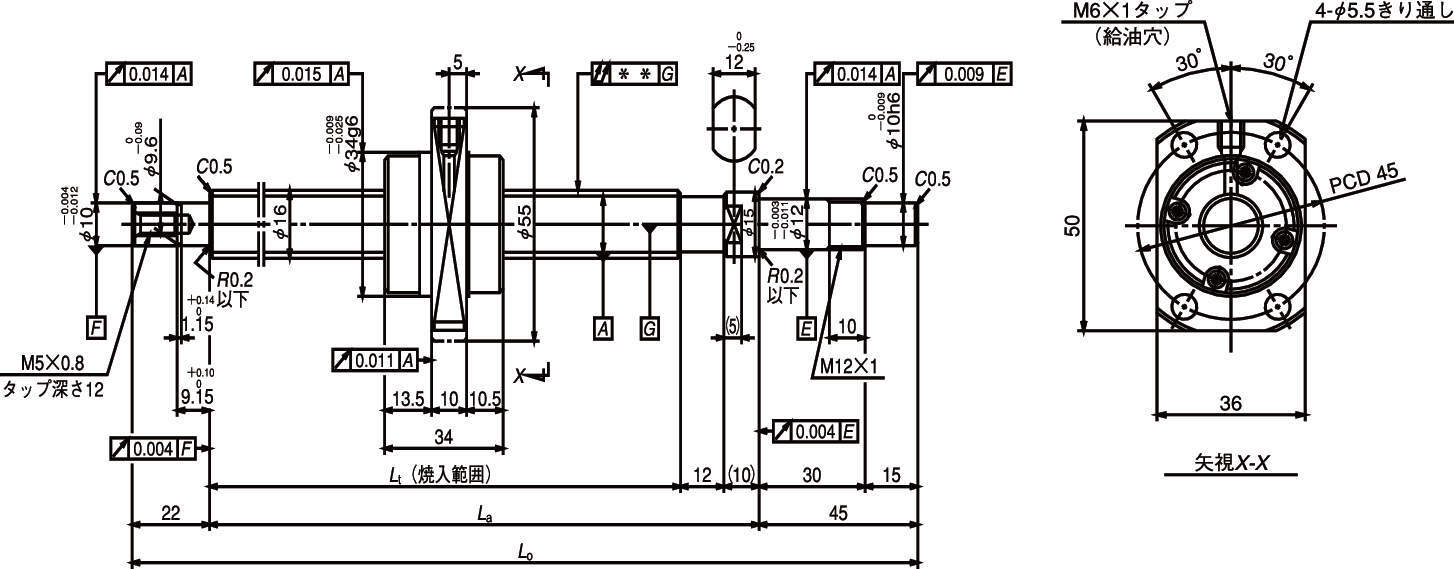
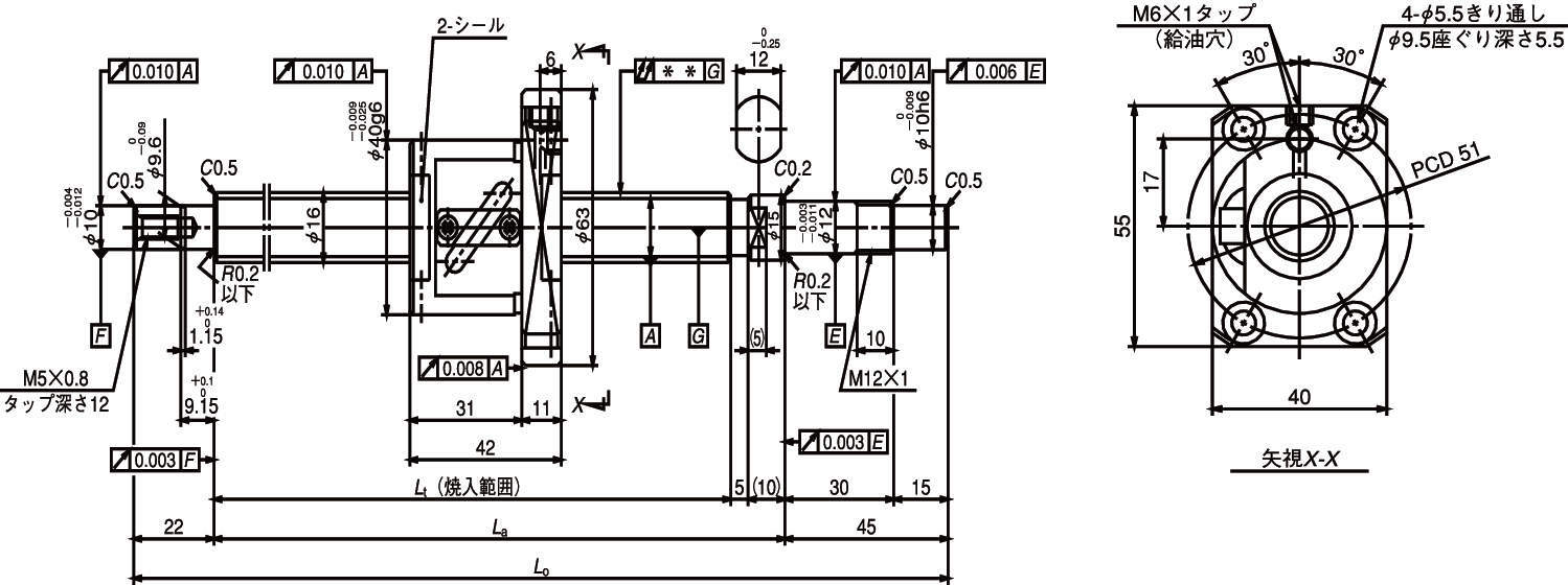
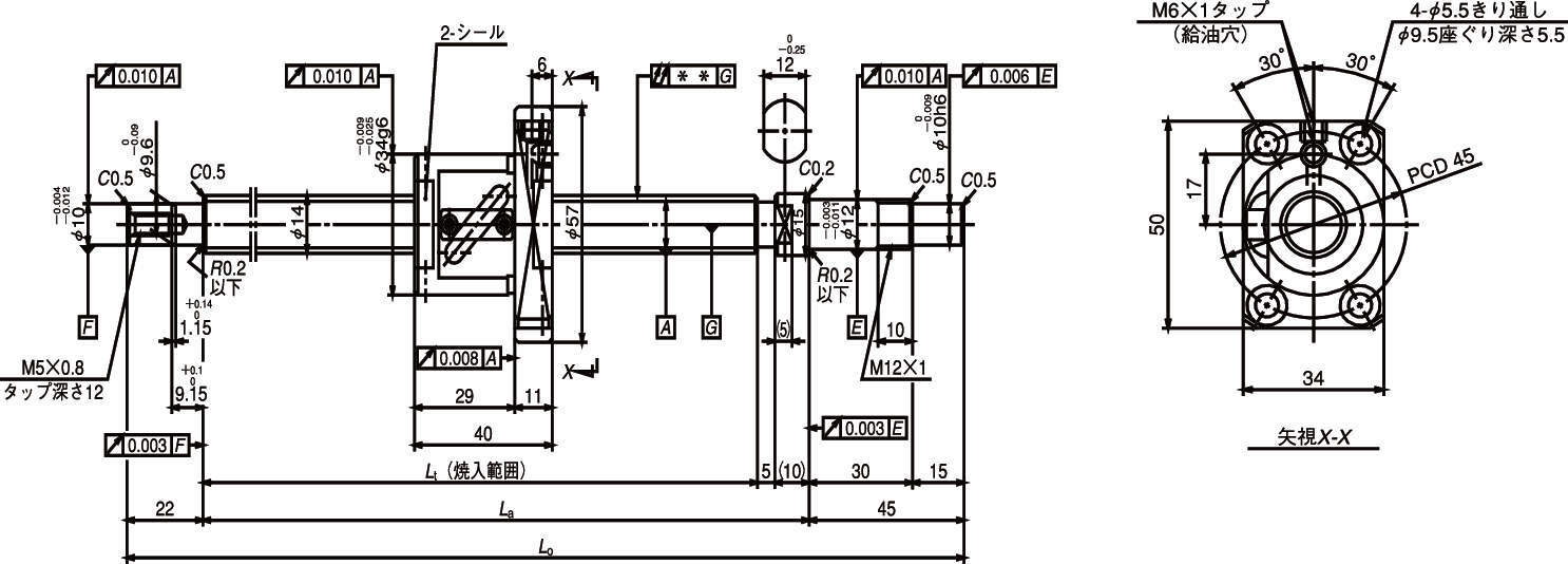
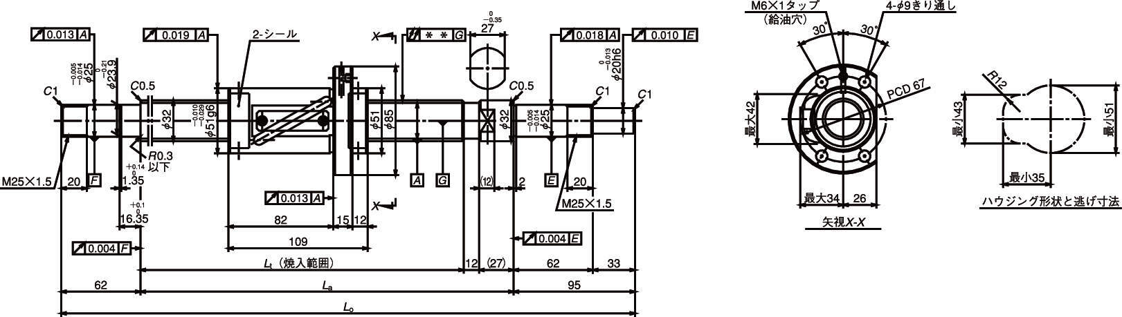
FA形は、小型機器用の精密ボールねじ(軸単完成品)です。

■循環方式
【チューブ式】
・ボールサイズに見合ったパイプを始点と終点間に渡して循環する方式
・仕様(軸径・リード)対応範囲がひろい

【エンドキャップ式】
・ナット端部にボールをすくい上げるためのキャップを配置し、ナット内部に設けた貫通穴で循環する方式
・大リードのものに適している
・ボールの循環部構造が複雑なため、汎用性に欠ける


■他の追従を許さない高精度
・NSKが開発した研削方式、計測機器により高精度を実現しました

■優れた耐久性
・清浄度の高い合金鋼を使用し、優れた耐久性を実現しました

■バックラッシュがなく高剛性
・NSKボールねじはゴシックアーク溝形状を採用することにより、ボールと溝のすきまを極小にできます
・さらに予圧を与えることによりすきんまをゼロにでき、バックラッシュはありません
・また、予圧量を管理することにより、使用条件に応じた剛性が得られます
・予圧を与えていない場合でも、ボールと溝のすきまを極小にできるので、バックラッシュは微小です

■円滑な動作で高効率
・サーキュラ溝ではボールがナットとねじ軸の溝にくさび的に食込む現象を生じますが、ゴッシックアーク溝にはこのようなことがありません
・このことと、本来ボールねじが持つ低摩擦と相まって円滑な動作の高効率の運動転換ができます

#ボールねじ

詳細仕様

  • 228件中 1-10件

  • 表示件数

228件の型式

型式 ねじ軸径 リード ねじれ方向 ボール径 ねじ軸谷径 有効巻数 ストローク ねじ軸長さ リード精度 軸心の振れ 質量
(kg)
基本定格荷重(N) 許容回転数N(min-1) 精度等級 予圧 軸方向すきま 予圧荷重
(N)
呼び 最大 Lt La L0 T ep VV 動定格Ca 静定格C0a 固定-支持 固定-固定
W1001FA-1P-C3Z4 10 4 2.000 8.2 2.5×1 50 69 110 125 180 0 0.010 0.008 0.020 0.26 2020 2210 3000 - C3 予圧品 0 98.1
W1001FA-3P-C3Z4 10 4 2.000 8.2 2.5×1 100 119 160 175 230 0 0.010 0.008 0.030 0.28 2020 2210 3000 - C3 予圧品 0 98.1
W1002FA-1P-C3Z4 10 4 2.000 8.2 2.5×1 150 169 210 225 280 0 0.012 0.008 0.030 0.31 2020 2210 3000 - C3 予圧品 0 98.1
W1002FA-3P-C3Z4 10 4 2.000 8.2 2.5×1 200 219 260 275 330 0 0.012 0.008 0.040 0.34 2020 2210 3000 - C3 予圧品 0 98.1
W1003FA-1P-C3Z4 10 4 2.000 8.2 2.5×1 250 269 310 325 380 0 0.012 0.008 0.040 0.37 2020 2210 3000 - C3 予圧品 0 98.1
W1003FA-3P-C3Z4 10 4 2.000 8.2 2.5×1 300 319 360 375 430 0 0.013 0.010 0.050 0.39 2020 2210 3000 - C3 予圧品 0 98.1
W1001FA-2-C3T4 10 4 2.000 8.2 2.5×1 50 69 110 125 180 0 0.010 0.008 0.020 0.26 3210 4420 3000 - C3 微すきま品 0.005以下 -
W1001FA-4-C3T4 10 4 2.000 8.2 2.5×1 100 119 160 175 230 0 0.010 0.008 0.030 0.28 3210 4420 3000 - C3 微すきま品 0.005以下 -
W1002FA-2-C3T4 10 4 2.000 8.2 2.5×1 150 169 210 225 280 0 0.012 0.008 0.030 0.31 3210 4420 3000 - C3 微すきま品 0.005以下 -
W1002FA-4-C3T4 10 4 2.000 8.2 2.5×1 200 219 260 275 330 0 0.012 0.008 0.040 0.34 3210 4420 3000 - C3 微すきま品 0.005以下 -

型式 商品コード 単位 価格
(円)
基準納期
日伝 メーカー
W1001FA-1P-C3Z4 W1001FA-1P-C3Z4 P 88,100 - 在庫品
W1001FA-3P-C3Z4 W1001FA-3P-C3Z4 P 90,100 - 在庫品
W1002FA-1P-C3Z4 W1002FA-1P-C3Z4 P 92,000 - 在庫品
W1002FA-3P-C3Z4 W1002FA-3P-C3Z4 P 97,100 - 在庫品
W1003FA-1P-C3Z4 W1003FA-1P-C3Z4 P 102,000 - 在庫品
W1003FA-3P-C3Z4 W1003FA-3P-C3Z4 P 108,000 - 在庫品
W1001FA-2-C3T4 W1001FA-2-C3T4 P 88,100 - -
W1001FA-4-C3T4 W1001FA-4-C3T4 P 90,100 - -
W1002FA-2-C3T4 W1002FA-2-C3T4 P 92,000 - -
W1002FA-4-C3T4 W1002FA-4-C3T4 P 97,100 - -

この製品を見た人はこのような製品も見ています

1952年設立で、動力伝導機器・産業機器・制御機器等の機械設備及び機械器具関連製品の販売をしている専門総合商社です。
日本国内で40以上の拠点を持ち、信頼性の高い製品と技術力で、全国のものづくりに携わる方々のあらゆるお困りごとを解決しています。

Loading...