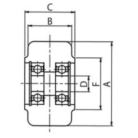
N
-
N
-
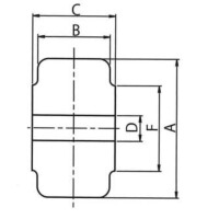
MCA
-
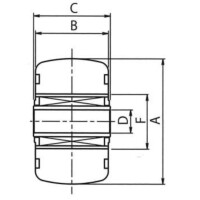
MCB
-
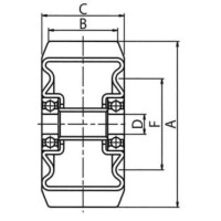
MCB-CD
-
NU
N(特殊プラスティック樹脂・ベアリング入り)
・φ50はブッシュ入りです。
・φ65・φ75はニードルベアリング入りです。
・JW、KW、L-JW(φ65・φ75のみ)とセット可能です。
MCA(MCナイロン・ベアリングなし)
・JW、KW、L-JW(φ65・φ75のみ)とセット可能です。
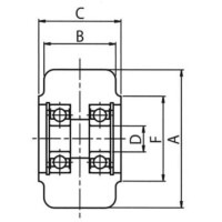
MCB(MCナイロン・ベアリング入り)
・φ50は608ZZ入りです。
・φ65、φ75は6201ZZ入りです。
・JW、KW、L-JW(φ65・φ75のみ)とセット可能です。
MCB-CD(導電性MCナイロン・ベアリング入り)
・導電性グレードMC501CD製車輪です。
・φ50は608ZZ入りです。
・φ65、φ75は6201ZZ入りです。
・JW、KW、L-JW(φ65・φ75のみ)とセット可能です。
NU(ウレタン・ベアリング入り)
・φ100のみです。
・JW、KW100とセット可能です。

