MU
-
MU
-
TU
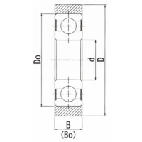
スムースな回転性能の高性能・高強度ウレタンベアリング
OKウレタンベアリングはボールベアリングの外周部に直接ポリウレタンゴムをライニングし、ベアリングの回転精度を損なうことなくウレタンゴム特有の適度な硬度や摩擦係数を活かしたウレタンベアリングです。
【MU型ウレタンベアリング(高精度品)】
・MU型ウレタンベアリングは、熱硬化性ウレタンゴムによる注型品です。高精度・強接着により耐久性は抜群です。
【TU型ウレタンベアリング(標準品)】
・TU型ウレタンベアリングは、熱可塑性ウレタンゴムによるインジェクション成型品です。経済性・耐久性に優れており、さまざまな分野に手軽に利用できます。TUS型はステンレスベアリング入りです。
【TUS型ウレタンベアリング(ステンレスベアリング入り標準品)】
・TUS型ウレタンベアリングは、経済性、耐久性に優れた熱可塑性ウレタンゴムによるインジェクション成型品です。ステンレスベアリング入りですので錆の発生を抑えられます。食品機械や医療機器などで利用できます。
使用用途
・金融機関用機器(現金自動支払機・通帳印字機)、OA機器(コンピューター・マークカードレコーダー)、交通機関関連機器(自動改札機・自動料金精算機、道路料金所用券売機・エスカレーター)、産業用機器(工業用関連機器・空港関連運搬装置・小荷物連続搬送コンベア・郵便自動仕分け装置)など
共通仕様
| MU型ゴム部物性 | タイプ : エーテル系 硬さ(HS) : JIS-A 90 100%モジュラス : 65daN/cm2 引張強さ : 336daN/cm2 伸び : 500% 引裂強さ : 65daN/cm 反発弾性 : 42% 圧縮永久歪(70℃) : 33% 耐摩耗性 : 170mg/1000回 |
|---|---|
| TU・TUS型ゴム部物性 | タイプ : エステル系 硬さ(HS) : JIS-A 87 100%モジュラス : 107.8daN/cm2 引張強さ : 441daN/cm2 伸び : 440% 引裂強さ : 147daN/cm 反発弾性 : 33% 圧縮永久歪(70℃) : 45% 耐摩耗性 : 130mg/1000回 |

