TE40S・TE50S
-
TE40S・TE50S
-
TE75S・TE100WS
-
TE40NS・TE50NS・TE75NS・TE100NWS
岡本工機
TE40S・TE50S
TE40S・TE50S
TE75S・TE100WS
TE40NS・TE50NS・TE75NS・TE100NWS
26件の型式
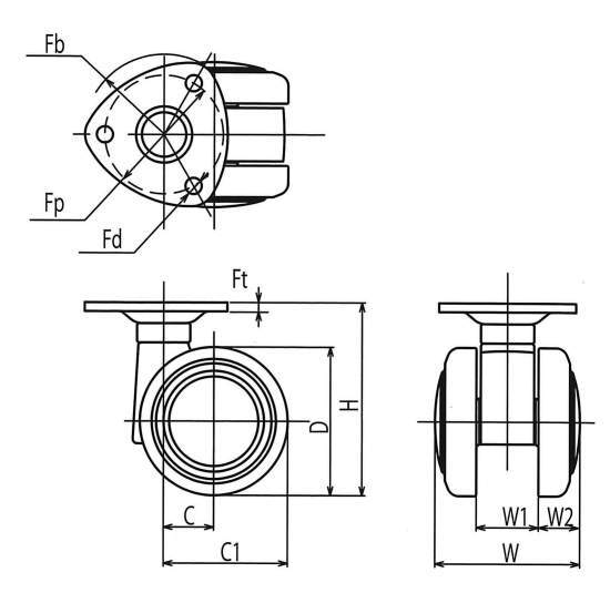
| 型式 | ストッパー | 最大荷重 |
D (mm) |
H (mm) |
C (mm) |
C1 (mm) |
W (mm) |
W1 (mm) |
W2 (mm) |
Fb (mm) |
F1×F2 (mm) |
P1×P2 (mm) |
Fp (mm) |
Fd (mm) |
Ft (mm) |
Nb (mm) |
Nd (mm) |
Nl (mm) |
Nt (mm) |
a (mm) |
|
|---|---|---|---|---|---|---|---|---|---|---|---|---|---|---|---|---|---|---|---|---|---|
| kgf | daN | ||||||||||||||||||||
| TE40 | ストッパーなし | 40 | 39.2 | 38 | 48 | 15 | 34 | 51 | 20 | 15.5 | 39 | - | - | 28 | 5 | 2.6 | - | - | - | - | - |
| TE50 | ストッパーなし | 60 | 58.8 | 50 | 65 | 17 | 42 | 49 | 21 | 14 | 54 | - | - | 40 | 5.5 | 3 | - | - | - | - | - |
| TE40S | ストッパー付 | 40 | 39.2 | 38 | 48 | 15 | 34 | 51 | 20 | 15.5 | 39 | - | - | 28 | 5 | 2.6 | - | - | - | - | - |
| TE50S | ストッパー付 | 60 | 58.8 | 50 | 65 | 17 | 42 | 49 | 21 | 14 | 54 | - | - | 40 | 5.5 | 3 | - | - | - | - | - |
| TE40N8 | ストッパーなし | 40 | 39.2 | 38 | 42.5 | 15 | 34 | 51 | 20 | 15.5 | - | - | - | - | - | - | 14 | M8×1.25 | 12 | 4.5 | 7 |
| TE40N10 | ストッパーなし | 40 | 39.2 | 38 | 42.5 | 15 | 34 | 51 | 20 | 15.5 | - | - | - | - | - | - | 14 | M10×1.5 | 19 | 4.5 | 7 |
| TE50N8 | ストッパーなし | 60 | 58.8 | 50 | 57.5 | 17 | 42 | 49 | 21 | 14 | - | - | - | - | - | - | 17 | M8×1.25 | 14 | 6 | 8 |
| TE50N10 | ストッパーなし | 60 | 58.8 | 50 | 57.5 | 17 | 42 | 49 | 21 | 14 | - | - | - | - | - | - | 17 | M10×1.5 | 14 | 6 | 8 |
| TE50N12 | ストッパーなし | 60 | 58.8 | 50 | 57.5 | 17 | 42 | 49 | 21 | 14 | - | - | - | - | - | - | 17 | M12×1.75 | 14 | 6 | 8 |
| TE40N8S | ストッパー付 | 40 | 39.2 | 38 | 42.5 | 15 | 34 | 51 | 20 | 15.5 | - | - | - | - | - | - | 14 | M8×1.25 | 12 | 4.5 | 7 |
| 型式 | 商品コード | 単位 |
価格 (円) |
基準納期 | |
|---|---|---|---|---|---|
| 日伝 | メーカー | ||||
| TE40 | TE40 | P | 800 | - | 在庫品 |
| TE50 | TE50 | P | 920 | - | 在庫品 |
| TE40S | TE40-S | P | 960 | - | 在庫品 |
| TE50S | TE50-S | P | 1,080 | - | 在庫品 |
| TE40N8 | TE40N8 | P | 800 | - | 在庫品 |
| TE40N10 | TE40N10 | P | 800 | - | 在庫品 |
| TE50N8 | TE50N8 | P | 920 | - | 在庫品 |
| TE50N10 | TE50N10 | P | 920 | - | 在庫品 |
| TE50N12 | TE50N12 | P | 920 | 在庫品 | 在庫品 |
| TE40N8S | TE40N8-S | P | 960 | - | 在庫品 |
製品についてのご質問やお困りごとなどお気軽にご相談ください!