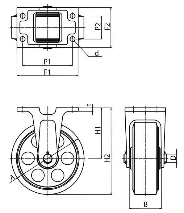
E・MG-W
-
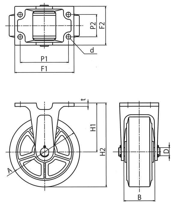
E・MG-W
-
EU・MG-W
・標準型ダクタイル製キャスターと比べ高荷重設計になっていますので重量物の搬送等に最適です。
・EMG-W200×50とEMG-W200×65、EMG-W230×65とEMG-W250×65、EMG-W200×90とEMG-W230×90とEMG-W250×90の金具はそれぞれ兼用です。
・EUMG-W200×50とEUMG-W200×65の金具は兼用です。

