フリー
-
フリー
-
フリー・トータルロック
-
フリー・トータルロック・旋回ロック
高性能な双輪型医療機器用キャスター
・確実なブレーキシステム
ロックシステムに内蔵されたカムは、30°のショートストロークで確実に車輪+旋回、または旋回のみをロックします。長期間使用してもロックシステムの再調整の必要がありません。
・静かでスムースな走行性能
走行抵抗・始動抵抗を低く抑えたグレーウレタン車輪を採用。一般のキャスターよりも静かでスムースな走行を可能にしました。走行跡が残りにくく、床面を傷つけないよう配慮がされています。
・ロックシステム
フリー:全ての方向において車輪も旋回もフリー
旋回ロック:旋回がロックされ、車輪はフリー
トータルロック:車輪+旋回が完全にロック
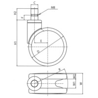
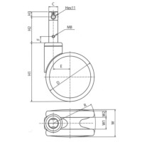
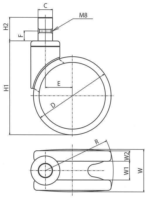
共通仕様
| 車輪材質 | グレーウレタン |
|---|

