MS05-100T
-
MS05-100T
-
MS1-100T
-
MS2-75T
-
MS2-100T
理研機器
MS05-100T
MS05-100T
MS1-100T
MS2-75T
MS2-100T
84件の型式
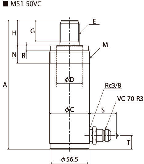
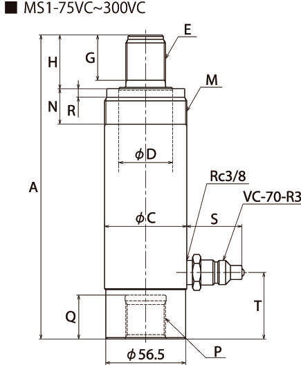
| 型式 |
付属 カップラ |
最大出力 (kN) |
受圧面積 (cm2) |
ストローク (mm) |
最小全長 A |
シリンダ内径 φ |
シリンダ外径 φC |
ピストン径 φD |
ピストンねじ径 E |
ピストンねじ長 G |
ピストン突出長 H |
カラーねじ径 M |
カラーねじ長 N |
ベースねじ径 P |
ベースねじ深さ Q |
ねじにがし長さ R |
カップラ突出長 S |
カップラ位置 T |
必要油量 (cm3) |
概略質量 (kg) |
|---|---|---|---|---|---|---|---|---|---|---|---|---|---|---|---|---|---|---|---|---|
| MS05-50VC | VC-70-R3 | 50 | 7.16 | 50 | 154 | 30.2 | 46 | 26 | M20×1.5 | 25 | 31 | M45×1.5 | 23 | - | - | 3 | 約46 | 20 | 36 | 1.5 |
| MS05-50S | S-1R | 50 | 7.16 | 50 | 154 | 30.2 | 46 | 26 | M20×1.5 | 25 | 31 | M45×1.5 | 23 | - | - | 3 | 約53 | 20 | 36 | 1.5 |
| MS05-50T | ROC-13R | 50 | 7.16 | 50 | 154 | 30.2 | 46 | 26 | M20×1.5 | 25 | 31 | M45×1.5 | 23 | - | - | 3 | 約49 | 20 | 36 | 1.5 |
| MS05-50-NC | カップラ無し | 50 | 7.16 | 50 | 154 | 30.2 | 46 | 26 | M20×1.5 | 25 | 31 | M45×1.5 | 23 | - | - | 3 | - | 20 | 36 | 1.5 |
| MS05-75VC | VC-70-R3 | 50 | 7.16 | 75 | 211 | 30.2 | 45 | 26 | M20×1.5 | 25 | 31 | M45×1.5 | 23 | M20×1.5 | 24 | 3 | 約39 | 43 | 54 | 2.0 |
| MS05-75S | S-1R | 50 | 7.16 | 75 | 211 | 30.2 | 45 | 26 | M20×1.5 | 25 | 31 | M45×1.5 | 23 | M20×1.5 | 24 | 3 | 約46 | 43 | 54 | 2.0 |
| MS05-75T | ROC-13R | 50 | 7.16 | 75 | 211 | 30.2 | 45 | 26 | M20×1.5 | 25 | 31 | M45×1.5 | 23 | M20×1.5 | 24 | 3 | 約42 | 43 | 54 | 2.0 |
| MS05-75-NC | カップラ無し | 50 | 7.16 | 75 | 211 | 30.2 | 45 | 26 | M20×1.5 | 25 | 31 | M45×1.5 | 23 | M20×1.5 | 24 | 3 | - | 43 | 54 | 2.0 |
| MS05-100VC | VC-70-R3 | 50 | 7.16 | 100 | 236 | 30.2 | 45 | 26 | M20×1.5 | 25 | 31 | M45×1.5 | 23 | M20×1.5 | 24 | 3 | 約39 | 43 | 72 | 2.3 |
| MS05-100S | S-1R | 50 | 7.16 | 100 | 236 | 30.2 | 45 | 26 | M20×1.5 | 25 | 31 | M45×1.5 | 23 | M20×1.5 | 24 | 3 | 約46 | 43 | 72 | 2.3 |
| 型式 | 商品コード | 単位 |
価格 (円) |
基準納期 | |
|---|---|---|---|---|---|
| 日伝 | メーカー | ||||
| MS05-50VC | MS05-50VC | P | 46,900 | - | - |
| MS05-50S | MS05-50S | P | 46,900 | - | 3日間 |
| MS05-50T | MS05-50T | P | 48,460 | - | 在庫品 |
| MS05-50-NC | MS05-50-NC | P | 46,900 | - | 在庫品 |
| MS05-75VC | MS05-75VC | P | 47,800 | - | - |
| MS05-75S | MS05-75S | P | 47,800 | - | 3日間 |
| MS05-75T | MS05-75T | P | 49,360 | - | 在庫品 |
| MS05-75-NC | MS05-75-NC | P | 47,800 | - | 在庫品 |
| MS05-100VC | MS05-100VC | P | 50,300 | - | - |
| MS05-100S | MS05-100S | P | 50,300 | - | 3日間 |
製品についてのご質問やお困りごとなどお気軽にご相談ください!