HOV-43
-
HOV-43
-
HOV-44T
-
SMVT-43
-
SMVHT-43
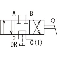
・主に複動シリンダ用手動ポンプに用いる手動方向切換弁で、リーク量が極めて少ないバルブです。
・SMVHT型切換弁は中立時及び切換過渡期も圧力保持が可能です。
反対側ポートに切替えると圧力保持が解除されます。
・HOV型は最大流量と中立形式に合わせて各種選定できる手動方向切換弁です。
・切換過渡期は、全てのポートはつながった状態(P・T・A・B接続)になります。(SMVHT型を除く)
・タンデムセンタ型のC(T)ポートは、70MPaまで加圧可能です。DRポートは必ずタンクへ接続してください。

