HOVCH-43H
-
HOVCH-43H
-
SCBT-43B
・SMVHT型は中立時及び切換過渡期も圧力保持が可能です。反対側のポートに切換えると圧力保持解除されます。
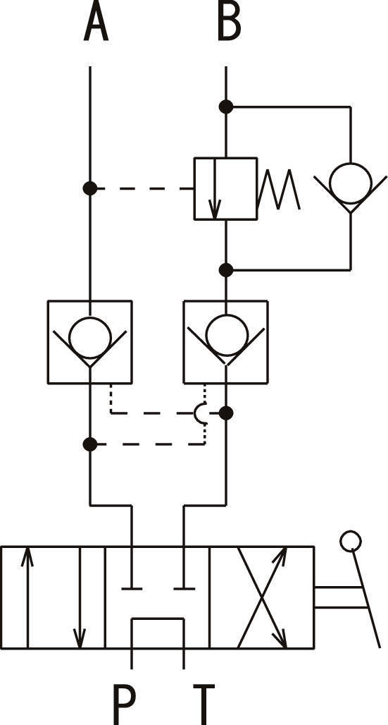
・HOVCH型切換弁は、MCH-4型チェック弁を付属させたバルブです。
・HOVCH型底部の取付寸法がHOV-43と同一のため、電動ポンプに直接取り付けられます。
・SCBT型はパイロットチェックとBポートに外部パイロット式カウンターバランス弁を内蔵しています。
・最高使用圧力70MPa

