WSMP-3012B
-
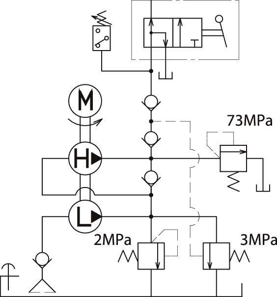
WSMP-3012B
・作動液が「水道水」で70MPaまで昇圧可能な電動ポンプです。
・油が嫌われる場所でも安心してご使用いただけます。
・高低圧自動切換式ポンプの採用により作業の効率化が図れます。
共通仕様
| 定格出力 | 0.25kW |
|---|---|
| 定格時間 | 5min |
| 最高使用圧力 | 高圧:70MPa 低圧:0.5MPa |
| 吐出量 | 高圧時:0.15L/min 低圧時:2.0L/min |
| 作動液 | 水道水 |

