RKB
-
RKB
・2次側には1次側の6.25倍の圧力が発生し、連続吐出します。
・14MPa程度の油圧ユニットを駆動源として、超高圧70MPaに変換でき軽量小型の機械装置を作り出すことができます。
・無負荷時には、低圧ユニットの吐出量が生かされ、高低圧二段吐出型ポンプと同時の働きになります。
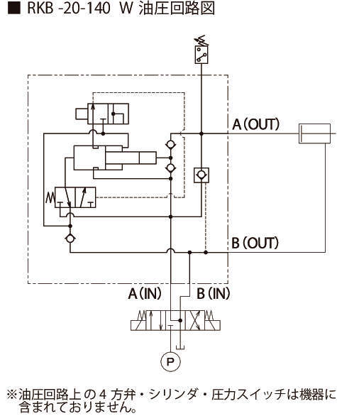
・RKB-20-140W型はIN・OUT共にA・B各久2ヶ所あり、1次側の4方弁で2次側の複動シリンダを作動させることができます。
・特殊仕様についても設計製作いたします。

