大窓 (片開き)
-
大窓 (片開き)
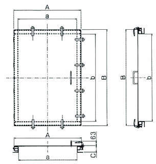
■大窓 (片開き)
・大型機器の作業口として使用します。
・ワンタッチ式レバーを取付けた、開閉が非常に容易なものです。
椿本バルクシステム
大窓 (片開き)
大窓 (片開き)
■大窓 (片開き)
・大型機器の作業口として使用します。
・ワンタッチ式レバーを取付けた、開閉が非常に容易なものです。
3件の型式
| 型式 | タイプ |
a (mm) |
b (mm) |
A (mm) |
B (mm) |
レバー数 |
質量 (kg) |
|---|---|---|---|---|---|---|---|
| CMD-L1 | 大窓(片開き) | 500 | 750 | 620 | 870 | 3+2 | 34.6 |
| CMD-L2 | 大窓(片開き) | 650 | 1000 | 770 | 1120 | 4+2 | 48.6 |
| CMD-L3 | 大窓(片開き) | 800 | 1200 | 920 | 1320 | 4+4 | 62.4 |
| 型式 | 商品コード | 単位 |
価格 (円) |
基準納期 | |
|---|---|---|---|---|---|
| 日伝 | メーカー | ||||
| CMD-L1 | CMD-L1 | P | 99,500 | - | - |
| CMD-L2 | CMD-L2 | P | 126,000 | - | - |
| CMD-L3 | CMD-L3 | P | 150,000 | - | - |
製品についてのご質問やお困りごとなどお気軽にご相談ください!