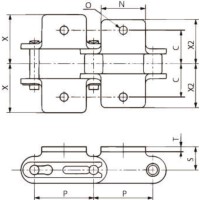
・一般用A系ローラチェーンのピッチを2倍にし、プレートをフラット形状とし、アタッチメントを付けた搬送用チェーンで、ISO1275のA系、ASME B29.100、JIS B1803に規定されています。
・全長精度が高い。
・ローラ形式にはRローラとSローラがあり、用途に応じた使い分けができます。
              
共通仕様
| 材質 | スチール | 
|---|
椿本チエイン
                ・一般用A系ローラチェーンのピッチを2倍にし、プレートをフラット形状とし、アタッチメントを付けた搬送用チェーンで、ISO1275のA系、ASME B29.100、JIS B1803に規定されています。
・全長精度が高い。
・ローラ形式にはRローラとSローラがあり、用途に応じた使い分けができます。
              
| 材質 | スチール | 
|---|
1183件の型式
| 型式 | タイプ | チェーン 番号 | ローラ 形式 | アタッチメント | ピッチ P (mm) | ローラ径 R1・R2 (mm) | 内リンク内幅 W (mm) | プレート(mm) | ピン(mm) | オフセットピン長 L (mm) | アタッチメント(mm) | 平均引張強さ (kN) | 最大許容張力 (kN) | 質量(kg/m) | リンク数 | ユニット数 | ||||||||||||||||||
|---|---|---|---|---|---|---|---|---|---|---|---|---|---|---|---|---|---|---|---|---|---|---|---|---|---|---|---|---|---|---|---|---|---|---|
| 形式 | 間隔 | 厚さ T | 幅 H | ピン径 D | L1 | L2 | C | C1 | C2 | K | N | O | O1 | S | X | X2 | XS | L3 | L4 | G | 概略 (チェーン本体) | アタッチメント 1個当たりの付 | ||||||||||||
| RF2040S-10UR | リール巻 | RF2040 | S | - | - | 25.40 | 7.92 | 7.95 | 1.5 | 12.0 | 3.97 | 8.25 | 9.95 | - | - | - | - | - | - | - | - | - | - | - | - | - | - | - | 16.7 | 2.65 | 0.51 | - | 1199 | 10 | 
| RF2050S-10UR | リール巻 | RF2050 | S | - | - | 31.75 | 10.16 | 9.53 | 2.0 | 15.0 | 5.09 | 10.30 | 12.0 | - | - | - | - | - | - | - | - | - | - | - | - | - | - | - | 27.5 | 4.31 | 0.84 | - | 959 | 10 | 
| RF2060S-10UR | リール巻 | RF2060 | S | - | - | 38.10 | 11.91 | 12.70 | 3.2 | 17.2 | 5.96 | 14.55 | 16.55 | - | - | - | - | - | - | - | - | - | - | - | - | - | - | - | 40.2 | 6.28 | 1.51 | - | 799 | 10 | 
| RF2080S-5UR | リール巻 | RF2080 | S | - | - | 50.80 | 15.88 | 15.88 | 4.0 | 23.0 | 7.94 | 18.30 | 20.90 | - | - | - | - | - | - | - | - | - | - | - | - | - | - | - | 68.6 | 10.7 | 2.41 | - | 299 | 10 | 
| RF2040S-U | ユニット | RF2040 | S | - | - | 25.40 | 7.92 | 7.95 | 1.5 | 12.0 | 3.97 | 8.25 | 9.95 | - | - | - | - | - | - | - | - | - | - | - | - | - | - | - | 16.7 | 2.65 | 0.51 | - | 120 | - | 
| RF2040R-U | ユニット | RF2040 | R | - | - | 25.40 | 15.88 | 7.95 | 1.5 | 12.0 | 3.97 | 8.25 | 9.95 | - | - | - | - | - | - | - | - | - | - | - | - | - | - | - | 16.7 | 2.65 | 0.87 | - | 120 | - | 
| RF2050S-U | ユニット | RF2050 | S | - | - | 31.75 | 10.16 | 9.53 | 2.0 | 15.0 | 5.09 | 10.30 | 12.0 | - | - | - | - | - | - | - | - | - | - | - | - | - | - | - | 27.5 | 4.31 | 0.84 | - | 96 | - | 
| RF2050R-U | ユニット | RF2050 | R | - | - | 31.75 | 19.05 | 9.53 | 2.0 | 15.0 | 5.09 | 10.30 | 12.0 | - | - | - | - | - | - | - | - | - | - | - | - | - | - | - | 27.5 | 4.31 | 1.30 | - | 96 | - | 
| RF2060S-U | ユニット | RF2060 | S | - | - | 38.10 | 11.91 | 12.70 | 3.2 | 17.2 | 5.96 | 14.55 | 16.55 | - | - | - | - | - | - | - | - | - | - | - | - | - | - | - | 40.2 | 6.28 | 1.51 | - | 80 | - | 
| RF2060R-U | ユニット | RF2060 | R | - | - | 38.10 | 22.23 | 12.70 | 3.2 | 17.2 | 5.96 | 14.55 | 16.55 | - | - | - | - | - | - | - | - | - | - | - | - | - | - | - | 40.2 | 6.28 | 2.19 | - | 80 | - | 
| 型式 | 商品コード | 単位 | 価格 (円) | 基準納期 | |
|---|---|---|---|---|---|
| 日伝 | メーカー | ||||
| RF2040S-10UR | RF2040S-10UR | P | 63,600 | 在庫品 | - | 
| RF2050S-10UR | RF2050S-10UR | P | 72,400 | 在庫品 | - | 
| RF2060S-10UR | RF2060S-10UR | P | 105,000 | 在庫品 | - | 
| RF2080S-5UR | RF2080S-5UR | P | 84,700 | 在庫品 | - | 
| RF2040S-U | RF2040S-U | P | 6,360 | 在庫品 | 在庫品 | 
| RF2040R-U | RF2040R-U | P | 10,600 | 在庫品 | 在庫品 | 
| RF2050S-U | RF2050S-U | P | 7,240 | 在庫品 | 在庫品 | 
| RF2050R-U | RF2050R-U | P | 10,600 | 在庫品 | 在庫品 | 
| RF2060S-U | RF2060S-U | P | 10,500 | 在庫品 | 在庫品 | 
| RF2060R-U | RF2060R-U | P | 16,600 | 在庫品 | 在庫品 | 
製品についてのご質問やお困りごとなどお気軽にご相談ください!
