・一般用A系ローラチェーンのピッチを2倍にし、プレートをフラット形状とし、アタッチメントを付けた搬送用チェーンで、ISO1275のA系、ASME B29.100、JIS B1803に規定されています。
・全長精度が高い。
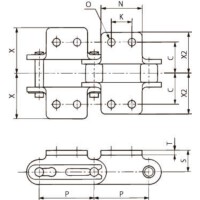
・ローラ形式にはRローラとSローラがあり、用途に応じた使い分けができます。
・ニッケルメッキによる美しい外観に加え、軽度の耐食性があります。
・水滴がかかる程度の雰囲気で使用可能です。
              
共通仕様
| 材質 | スチール(全部品熱処理硬化)にニッケルメッキ | 
|---|---|
| 使用温度 | -10℃~+150℃ | 

 
               
                     
                     
                     
                     
                     
                     
                             
                             
                             
                             
                             
                            
