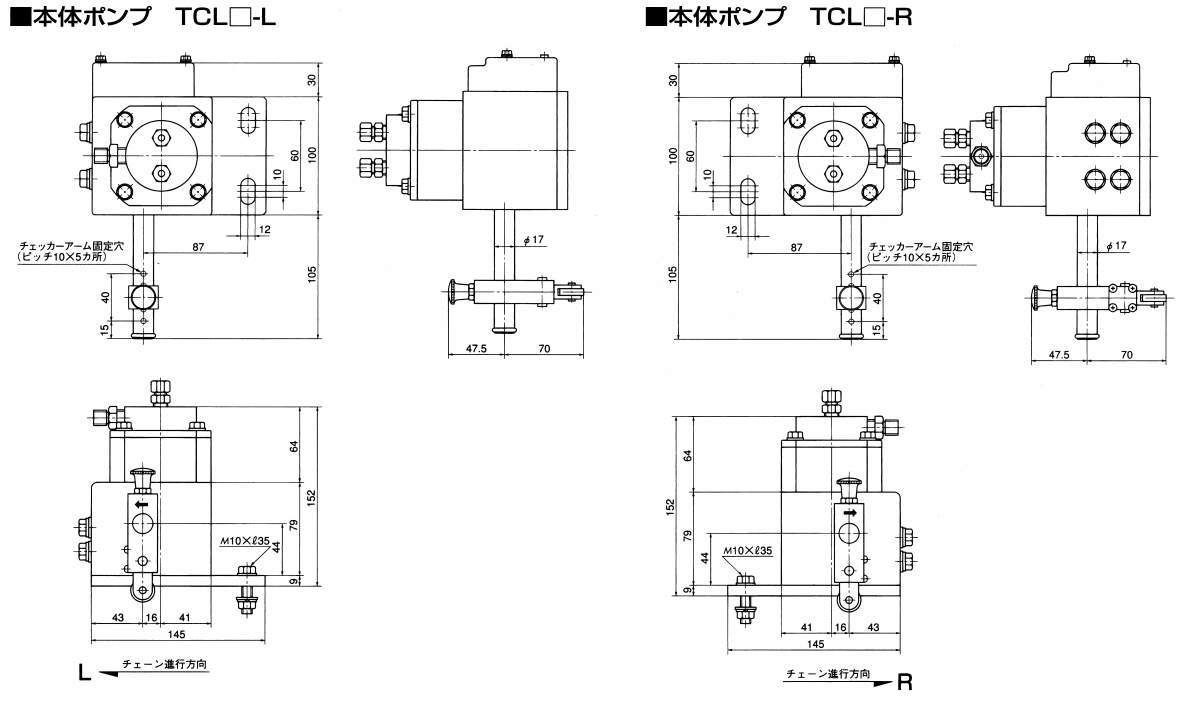
ポンプ(本体)
-
ポンプ(本体)
・TCL形給油器はコンベヤチェーン用です。チェーンのローラが給油器本体ポンプのチェッカーアームを押上げることでポンプ機構が作動し、ノズルより適量の潤滑油を吐出する給油器です。したがって、電気などの動力源が不要で簡単に設置ができ、的確で安定した給油が行なえます。
・動力源不要
チェーンが走行することで本体のポンプ機構が作動しますので電気・エアーなどの動力源が不要で据付や保守が容易です。
・的確な給油
チェーンの動きと連動し給油を行ないますので的確で安定した給油が行なえます。
・小形・低価格
既存のコンベヤチェーン用給油器に比べ軽量、小形で取扱いやすく、価格も経済的になっています。
共通仕様
| 可動動作回数 | max.3回/秒 |
|---|---|
| 吐出量 | 固定式 0.05cc/ショット/口 |
| タイミング検知 | チェッカーアーム検出方式 |
| 運転・停止 | 手動にてチェッカーアームを切替(コンベア停止時) |
| オイルタンク | 5L |
| 使用温度 | ポンプ(本体):-10℃~60℃ 先端ノズル:-10℃~120℃ |

