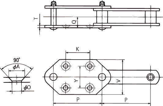
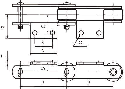
Rローラ
-
Rローラ
-
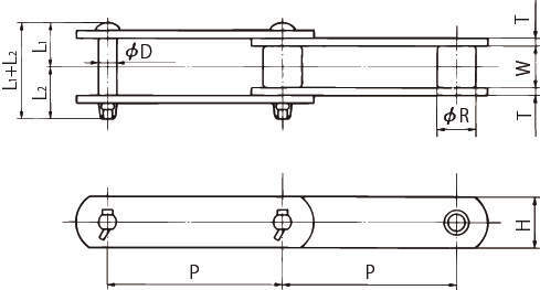
Fローラ
-
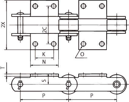
Sローラ
-
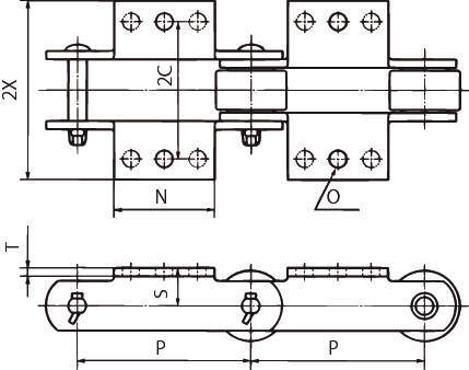
アタッチメント付
・経済的・汎用品。
・ピン・ブシュ熱処理。
・Rローラ
最も基本的で汎用性のある形式です。ローラの負荷容量が大きく、摩擦抵抗が低いのが特長です。
・Fローラ
簡単に横振れ防止ができます。ラフな使い方や、通常のスラットコンベヤなどに適します。
・Sローラ
スプロケットのかみ合い時に衝撃や摩耗を緩和する効果があります。ローラ外径がプレート幅よりも小さい物です。
共通仕様
| 仕様 | 汎用大型コンベヤチェーン DT仕様 |
|---|---|
| 使用温度 | -20℃~200℃ |

