スチールローラ形
-
スチールローラ形
-
スチールダブルローラ形
-
プラジュニア形
-
プラローラ形
-
プラダブルローラ形
重量物の移動・移載・搬送に抜群の働き
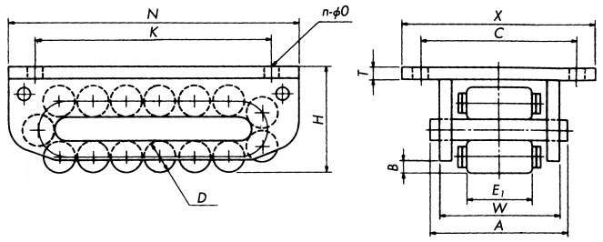
・フレーム本体とエンドローラから構成され、フレーム本体のセンタープレートにエンドローラ(ローラ・ピン・リンクプレートで構成)を巻きつけています。
・スチールローラ形はセンタープレートとローラに焼入れを施したコンパクトで負荷能力の大きなタフコロです。
・プラローラ形はエンジニアプラスチック(エンプラ)をローラに使用したタフコロです。特に「プラジュニア」は手軽にご使用いただける経済的で軽量なタイプです。

