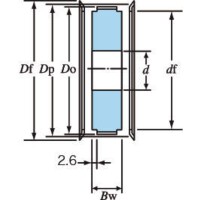
AF
- 
                AF 
- 
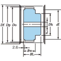
                BF 
- 
                AF(アルミ製) 
- 
                BF(アルミ製) 
共通仕様
| 材質 | スチール製:機械構造用炭素鋼 アルミ製:高強度アルミ合金 | 
|---|
椿本チエイン
AF
AF
BF
AF(アルミ製)
BF(アルミ製)
| 材質 | スチール製:機械構造用炭素鋼 アルミ製:高強度アルミ合金 | 
|---|
184件の型式
| 型式 | 歯形 | プーリ 形状 | 材質 | 歯数 | 使用 ベルト幅 (mm) | ピッチ円直径 Dp (mm) | 歯先円直径 Do (mm) | ハブ直径 Dh (mm) | Bw (mm) | BL (mm) | 使用軸の直径d(mm) | 標準フランジ | フランジ(mm) | |||
|---|---|---|---|---|---|---|---|---|---|---|---|---|---|---|---|---|
| 最小 | 最大 | 厚さt | 外径Df | 内径df | ||||||||||||
| PT20P8M15AF | P8M | AF | 機械構造用炭素鋼 | 20 | 15 | 50.93 | 49.56 | - | 22 | - | 12 | 22 | PTSF16550425 | 1.6 | 55 | 42.5 | 
| PT22P8M15AF | P8M | AF | 機械構造用炭素鋼 | 22 | 15 | 56.02 | 54.65 | - | 22 | - | 12 | 25 | PTSF16620450 | 1.6 | 62 | 45 | 
| PT24P8M15AF | P8M | AF | 機械構造用炭素鋼 | 24 | 15 | 61.12 | 59.74 | - | 22 | - | 12 | 28 | PTSF16660500 | 1.6 | 66 | 50 | 
| PT26P8M15AF | P8M | AF | 機械構造用炭素鋼 | 26 | 15 | 66.21 | 64.84 | - | 22 | - | 16 | 30 | PTSF16730560 | 1.6 | 73 | 56 | 
| PT28P8M15AF | P8M | AF | 機械構造用炭素鋼 | 28 | 15 | 71.30 | 69.93 | - | 22 | - | 16 | 34 | PTSF16790630 | 1.6 | 79 | 63 | 
| PT30P8M15AF | P8M | AF | 機械構造用炭素鋼 | 30 | 15 | 76.39 | 75.02 | - | 22 | - | 16 | 36 | PTSF16820670 | 1.6 | 82 | 67 | 
| PT32P8M15AF | P8M | AF | 機械構造用炭素鋼 | 32 | 15 | 81.49 | 80.12 | - | 22 | - | 16 | 38 | PTSF16860710 | 1.6 | 86 | 71 | 
| PT34P8M15AF | P8M | AF | 機械構造用炭素鋼 | 34 | 15 | 86.58 | 85.21 | - | 22 | - | 16 | 42 | PTSF16910770 | 1.6 | 91 | 77 | 
| PT36P8M15AF | P8M | AF | 機械構造用炭素鋼 | 36 | 15 | 91.67 | 90.30 | - | 22 | - | 16 | 45 | PTSF16970800 | 1.6 | 97 | 80 | 
| PT40P8M15AF | P8M | AF | 機械構造用炭素鋼 | 40 | 15 | 101.86 | 100.49 | - | 22 | - | 20 | 50 | PTSF161070900 | 1.6 | 10.7 | 90 | 
| 型式 | 商品コード | 単位 | 価格 (円) | 基準納期 | |
|---|---|---|---|---|---|
| 日伝 | メーカー | ||||
| PT20P8M15AF | PT20P8M15AF | P | 6,110 | 在庫品 | 在庫品 | 
| PT22P8M15AF | PT22P8M15AF | P | 6,330 | - | 在庫品 | 
| PT24P8M15AF | PT24P8M15AF | P | 6,490 | 在庫品 | 在庫品 | 
| PT26P8M15AF | PT26P8M15AF | P | 7,000 | 在庫品 | 在庫品 | 
| PT28P8M15AF | PT28P8M15AF | P | 7,400 | 在庫品 | 在庫品 | 
| PT30P8M15AF | PT30P8M15AF | P | 7,710 | 在庫品 | 在庫品 | 
| PT32P8M15AF | PT32P8M15AF | P | 8,240 | 在庫品 | 在庫品 | 
| PT34P8M15AF | PT34P8M15AF | P | 8,890 | - | 在庫品 | 
| PT36P8M15AF | PT36P8M15AF | P | 9,420 | 在庫品 | 在庫品 | 
| PT40P8M15AF | PT40P8M15AF | P | 11,200 | 在庫品 | 在庫品 | 
製品についてのご質問やお困りごとなどお気軽にご相談ください!
 
               
                 
                