CN
-
CN
短い軸間距離で据付可能
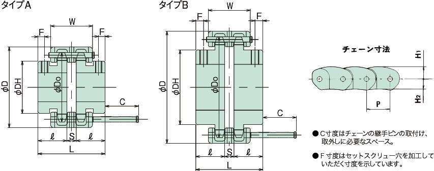
・2個のスプロケットをナイロンチェーンで連結しただけの構造ですので、両軸間の距離が短い場合も取り付けられます。
・ナイロンチェーンカップリングで連結することで装置全体のコンパクト化も可能です。
巻き掛けなので着脱容易
・スプロケットの外周にナイロンチェーンを巻き掛け、継手ピンを差し込むだけでカップリングが組み付けられます。
・カップリングの取外し、またはナイロンチェーンの補修交換の際も継手ピンを抜き、巻いてあるナイロンチェーンを外すだけなので作業工数が少なくて済みます。
・装置メンテナンスの際にカップリングで連結している駆動機、被動機の両方を動かすことなく縁を切ることができます。
共通仕様
| 本体スプロケット材質 | 炭素鋼 |
|---|---|
| チェーン材質色 | ポリアセタール(ホワイト) |
| 継手ピン材質 | 炭素鋼 |
| 角度誤差 | 0.5° |
| 平行誤差 | 0.1mm |
| 軸方向変位 | CN310~CN317:±0.4mm CN410~CN419:±0.8mm CN610~CN619±0.6mm |

